概览
产品详情
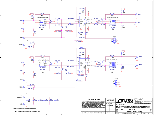
演示电路2473A内置LTC6419双通道差分放大器/ADC驱动器。它集成了各种无源元件,可支持多种应用配置。这些全差分放大器接受单端或差分输入,失真性能几乎无差异。
文档
-
DC2473A - Schematic2017/3/15PDF40K
-
DC2473A - Demo Manual2017/3/15PDF264K
-
DC2473A - Design Files2017/3/15ZIP1M
