概览
产品详情
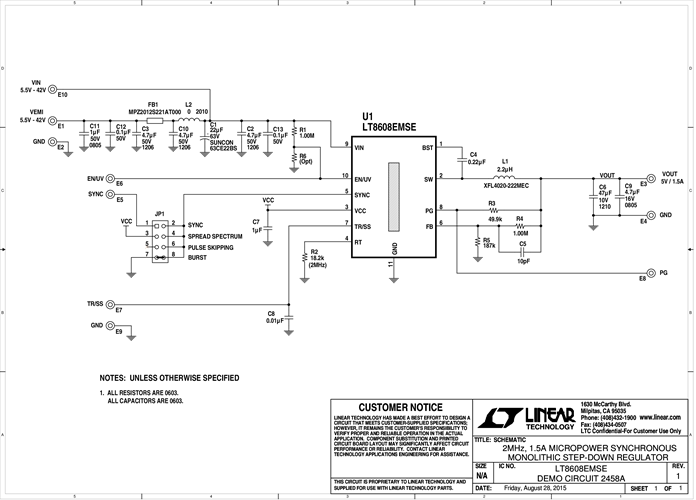
演示电路2458A是一款42V、1.5A微功耗同步降压型稳压器,内置LT8608。该演示板设计提供5V输出和5.5V至42V的输入。宽输入范围支持各种输入源,如汽车电池和工业电源。LT8608是一款紧凑型高效率、高速同步单芯片降压型开关稳压器,当输出稳定在5V时瞬态电流功耗仅为2.5μA。LT8608中内置顶部和底部电源开关、补偿元件和其他必要电路,可将外部元件数量降至较低并简化设计。
文档
-
DC2458A - Schematic2016/5/31PDF30K
-
DC2458A - Demo Manual2016/5/31PDF261K
-
DC2458A - Design Files2016/5/31ZIP876K
-
新
线性稳压器的电压输入至输出控制—第二部分:工作原理和参考设计2026/2/25
-
线性稳压器的电压输入至输出控制—— 第一部分:快速入门和优势2025/12/8




