概览
产品详情
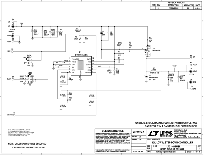
演示电路2434A是一款高电压、电流模式DC/DC降压转换器,内置LTC3864。
该板的输入电压范围为6V至60V,当输入超过12V时可提供12V、5A输出。PMOSFET架构允许其在高达100%的占空比下无缝工作,并用作低于调节阈值(低至6VIN)的饱和开关。它在200kHz下工作并可同步至外部时钟。软启动功能在启动时控制输出电压压摆率,从而减少电流浪涌和电压过冲。可使用跳线使能在轻负载下提高效率的突发工作模式(Burst Mode®)。它提供电源良好输出信号。
相关产品
文档
-
DC2434A - Schematic2017/2/13PDF33K
-
DC2434A - Demo Manual2017/2/13PDF298K
-
DC2434A - Design Files2017/2/13ZIP790K



