概览
产品详情
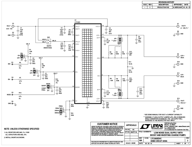
演示电路2235A内置LTC3265EDHC,具有升压和反相电荷泵,每个电荷泵都带有一个低噪声LDO后置稳压器。LTC3265的升压电荷泵输入电压范围为4.5V至16V,反相电荷泵输入电压范围为4.5V至32V。该演示板为每个极性提供5V、15V和24V的可选LDO±输出设置幅度。该演示板还允许在低功耗突发工作模式(Burst Mode®)或低噪声恒定频率工作模式之间选择,此外还可选择500kHz、200kHz和50kHz的工作频率。
文档
-
DC2235A - Schematic2015/10/5PDF92K
-
DC2235A - Demo Manual2015/10/5PDF697K
-
DC2235A - Design Files2015/10/5ZIP4M




