文档
-
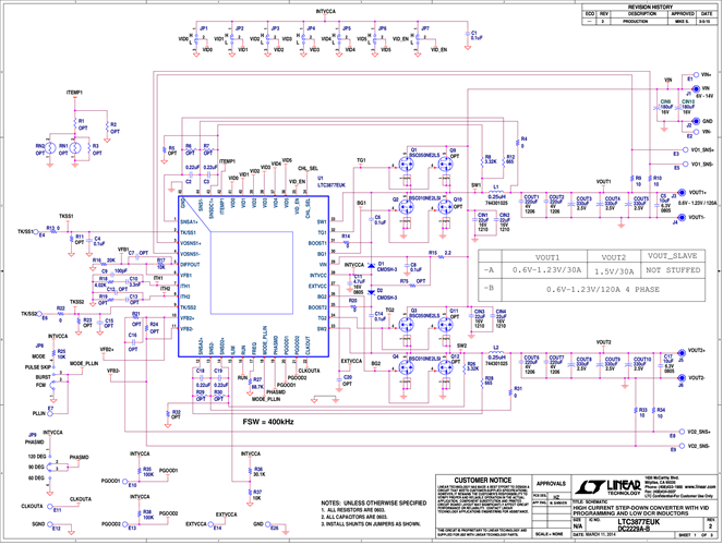
DC2229A-B - Schematic2015/8/24PDF110K
-
DC2229A - Demo Manual2015/8/24PDF1M
-
DC2229A - Design Files2016/4/11ZIP2M
