概览
产品详情
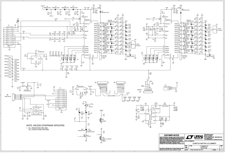
演示电路DC2218A是采用LT3965 8开关矩阵LED调光器IC的矩阵LED调光器系统。16个500mA LED可通过两个8开关LED调光器LT3965 IC单独打开、关闭或进行PWM调光。两个LED串由LT3797三输出LED控制器IC的两个降压LED驱动器输出进行驱动。LT3797的第三个通道用作30V预升压稳压器,以向两个降压LED驱动器通道提供适当的输入电压。DC2218A可以通过9V至30V输入进行驱动,并且可以承受高达36V的电压瞬变。
文档
-
DC2218A - Schematic2015/12/16PDF117K
-
LT3965 GUI User Manual2015/12/16PDF2M
-
DC2218A - Demo Manual2015/12/16PDF889K
-
DC2218A - Design Files2016/4/21ZIP2M





