概览
产品详情
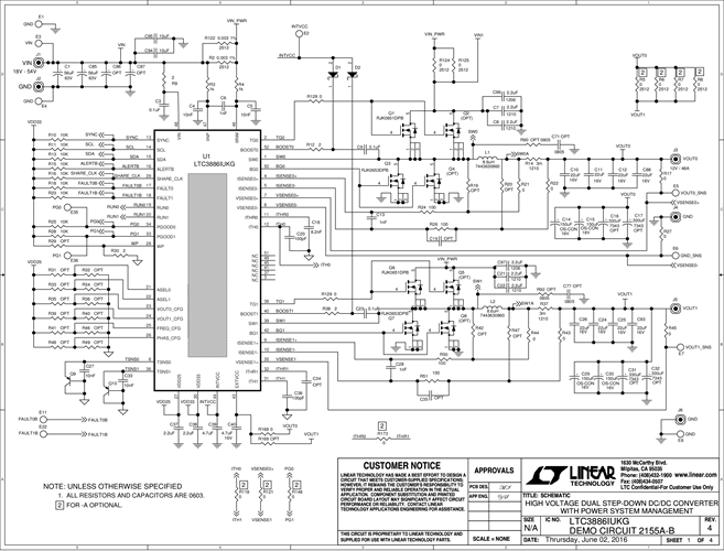
演示电路2155A提供两种配置。DC2155A-A是一款双路输出同步降压转换器,内置双相电流模式控制器LTC3886。DC2155A-B是一款单路输出同步降压转换器,采用四种相位工作:两种来自LTC3886,两种来自LTC3870相位扩展器。两种版本均具有PMBus接口和数字电源系统管理功能。
相关产品
文档
-
DC2155A-B - Schematic2016/6/6PDF130K
-
DC2155A - Demo Manual (Rev. C)2016/6/10PDF3M
-
DC2155A-B - Design Files2016/6/6ZIP10M

