文档
-
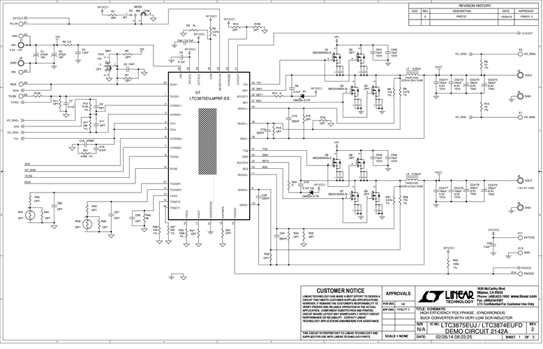
DC2142A - Schematic2014/6/5PDF140K
-
DC2142A - Demo Manual2014/6/5PDF759K
-
DC2142A - Design Files2014/6/5ZIP6M
