概览
产品详情
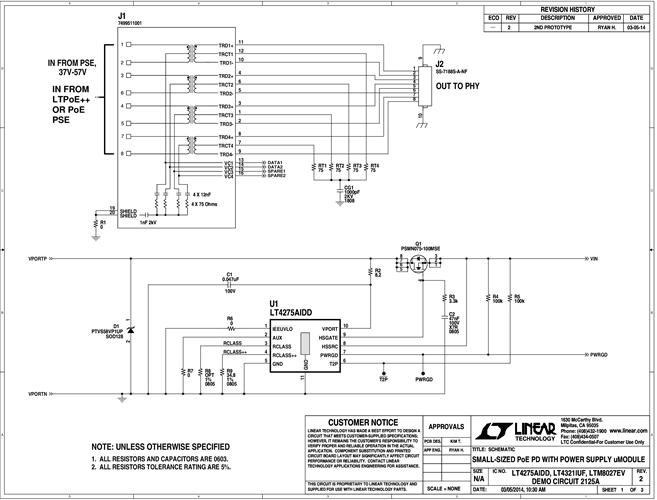
演示电路2125是一款小型、高集成度、非隔离式PoE受电设备(PD)解决方案。它具有一个PD接口控制器(LT4275),用于与PoE受电设备(PSE)接口;一个理想二极管电桥控制器(LT4321),以尽可能降低电桥损耗;以及一个DC/DC μModule®稳压器(LTM8027)。
文档
-
DC2125A - Schematic2015/1/14PDF78K
-
DC2125A - Demo Manual2015/1/14PDF532K
-
DC2125A - Design File2015/1/14ZIP1M





