概览
产品详情
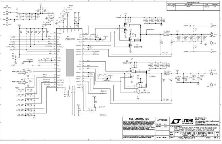
演示电路2084A是一款高效率、高密度、单路输出降压解决方案,内置LTC3884和两个LTC3874。LTC3884是一款双通道输出PolyPhase®;降压控制器,具有超低DCR检测和数字电源系统管理功能。LTC3874是一款多相降压同步从机控制器,还具有亚毫欧姆DCR检测功能。该组合提供具有10V至14V输入电压范围的电路,可提供最高240A的输出电流。默认输出电压为1V,但可以在0.5V至1.5V范围内进行设置。
DC2084A上电至默认设置并基于配置电阻或使用其非易失性存储器产生电源,无需串行总线通信。这样可轻松评估DC/DC转换器。为了充分发掘该器件丰富的电源系统管理功能,请下载GUI软件LTpowerPlay®;并使用LTC公司的I2C/SMBus/PMBus加密狗DC1613A连接到该板。
相关产品
文档
-
DC2084A - Schematic2016/8/25PDF148K
-
DC2084A - Demo manual2016/8/25PDF872K
-
DC2084A - Design Files2016/8/25ZIP6M
