概览
产品详情
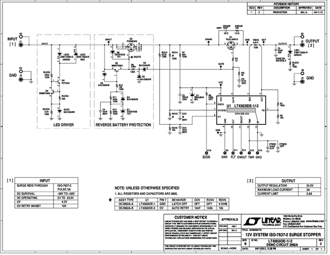
DC2062A-B: Demo Board for LT4363 High Voltage Surge Stopper with Current Limit.
文档
-
DC2062A - TUV Compliance Report2013/10/28PDF3M
-
DC2062A - Schematic2013/10/21PDF41K
-
DC2062A - Demo Manual2013/10/21PDF461K
-
DC2062A - Design Files2013/10/21ZIP832K




