概览
产品详情
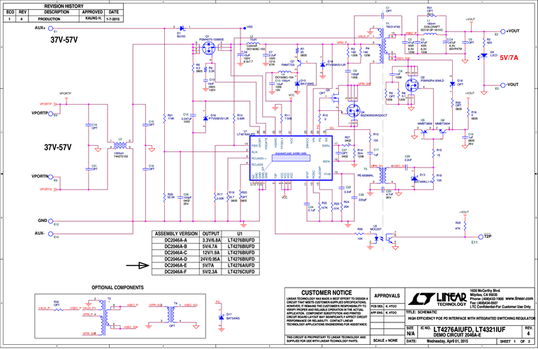
演示电路2046A-E是一款集成隔离电源的PoE受电设备(PD),采用同步反激式拓扑,内置LT4276和理想二极管电桥控制器(LT4321)。
文档
-
DC2046A-E - Schematic2015/7/10PDF73K
-
DC2046A-E - Demo Manual2015/7/10PDF0M
-
DC2046A - Design Files2015/7/10ZIP2M





