概览
产品详情
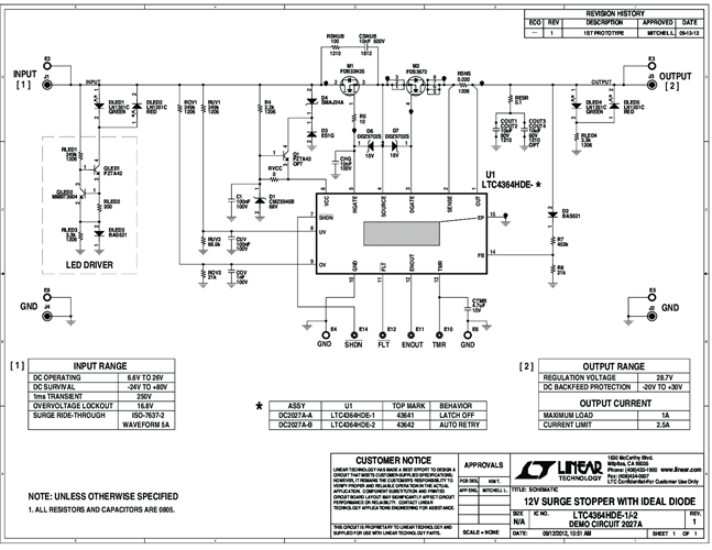
DC2027A-A:集成理想二极管的LTC4364浪涌抑制器演示板。
文档
-
DC2027A - Schematic2013/3/15PDF40K
-
DC2027A - Demo Manual2013/3/14PDF633K
-
DC2027A - Design Files2013/3/15ZIP756K





