概览
产品详情
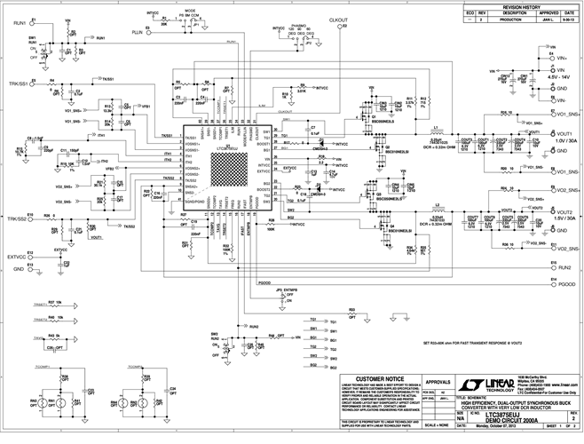
演示电路2000A是一款高效率、高密度、同步降压转换器,具有4.5V至14V输入电压范围。在1.0V输出和1.5V输出下,可提供最大30A负载电流。该演示板包括LTC3875EUJ控制器。LTC3875是一款功能丰富的双相同步降压控制器,具有极低DCR电流检测功能、片上驱动器和远程输出电压检测功能。该板采用0.32mΩ DCR电感设置。温度补偿功能可确保在宽温度范围内实现精确限流,且具有DCR检测功能。
相关产品
文档
-
DC2000A - Schematic2014/2/27PDF144K
-
DC2000A - Demo Manual2014/2/27PDF545K
-
DC2000A - Design Files2014/2/27ZIP1M
