文档
-
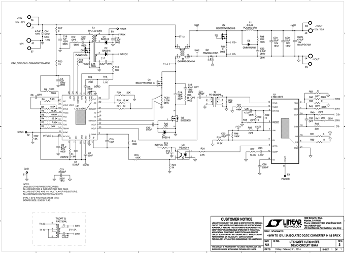
DC1994A - Schematic2014/2/26PDF47K
-
DC1994A - Demo Manual2014/3/24PDF531K
-
DC1994A - Design Files2015/6/16ZIP1M



