文档
-
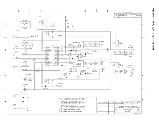
DC198B - Schematic2009/9/24PDF97K
-
DC198B - Demo Manual2009/9/24PDF71K
-
DC198B - Design File2009/9/24ZIP368K
