文档
-
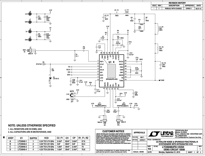
DC1959B - Schematic2015/12/7PDF54K
-
DC1959B - Demo Manual2015/12/7PDF907K
-
DC1959B - Design Files2016/4/21ZIP1M

