概览
产品详情
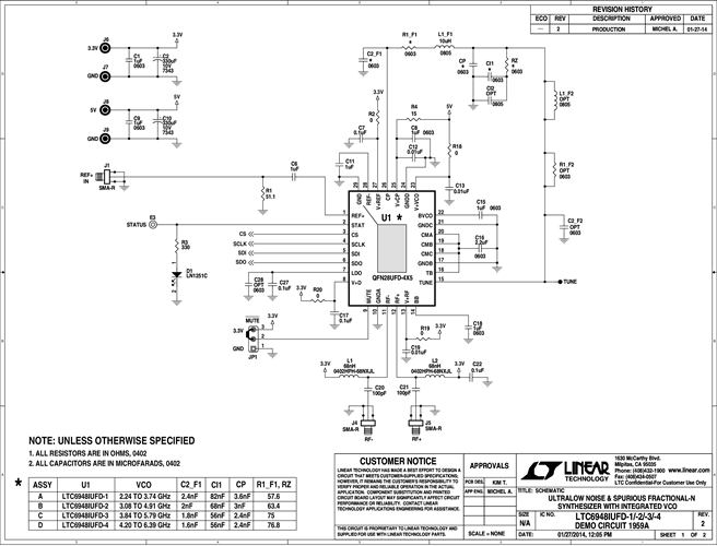
演示电路1959A采用包含集成式VCO、超低噪声的杂散小数N频率合成器LTC6948。DC1959A提供四种选项,每种选项适合LTC6948的每个版本。表1概述了可用的DC1959A选项。
相关产品
文档
- 
                                                                
                                                                    
                                                                                                                                            DC1959A - Schematic2014/6/18PDF57K
- 
                                                                
                                                                    
                                                                                                                                            DC1959A - Demo Manual2014/6/18PDF811K
- 
                                                                
                                                                    
                                                                                                                                            DC1959A - Design Files2014/6/18ZIP1M
 
                             
                         
                         
                                                 
                                                 
                                                 
                                                 
                                                



