概览
产品详情
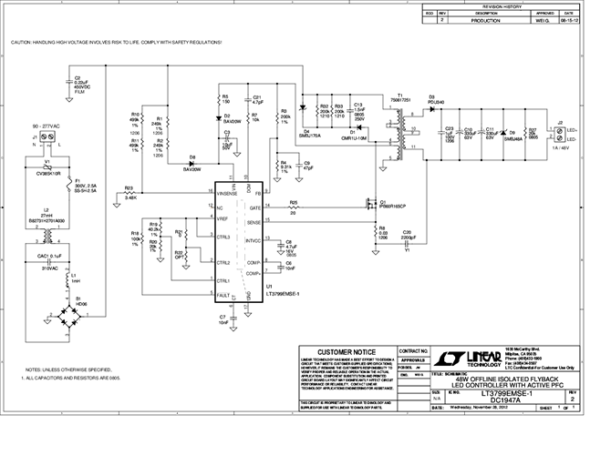
DC1947A: Demo Board for the LT3799-1 Offline Isolated Flyback LED Controller with Active PFC.
相关产品
文档
-
DC1947A - Schematic2013/2/5PDF48K
-
DC1947A - Demo Manual2013/1/29PDF249K
-
DC1947A - Design Files2013/2/5ZIP790K




