概览
产品详情
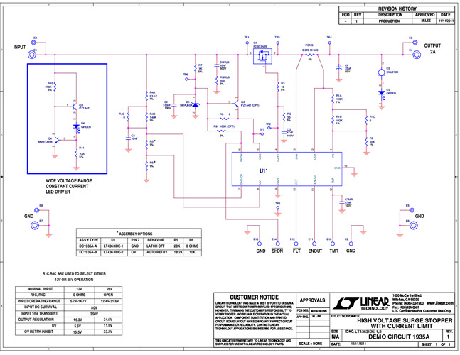
DC1935A-B: Demo Board for the LT4363 High Voltage Surge Stopper with Current Limit.
文档
-
DC1935A - Schematic2012/4/24PDF53K
-
DC1935A - Demo Manual2012/4/24PDF393K
-
DC1935A - Design Files2012/4/24ZIP812K




