概览
产品详情
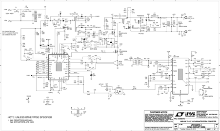
Demonstration circuit 1929A is a 200W active clamp forward converter featuring the LT3752-1/LT8311 chipset. The LT8311 is a secondary-side synchronous rectifier controller. The solution operates at about 100kHz and produces an isolated, regulated 12V / 16.7A output from an input voltage ranging from 150V to 400V, making it well suited for automotive, industrial, and other applications.
文档
-
DC1929A - Schematic2015/11/30PDF49K
-
DC1929A - Demo Manual2015/11/30PDF695K
-
DC1929A - Design Files2015/11/30ZIP1M
