概览
产品详情
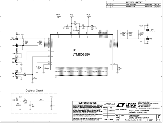
演示电路1696是一款36V、5A、CVCC降压型μModule稳压器,内置LTM8026。该演示电路可通过6V至36V输入电压提供3.3V输出。输出端可提供5A的源电流。该电路可以在恒压模式或恒流模式下工作。
相关产品
文档
-
DC1696A - Schematic2012/2/21PDF77K
-
DC1696A - Demo Manual2012/2/21PDF237K
-
DC1696A - Design Files2012/2/21ZIP2M




