概览
产品详情
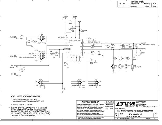
Demonstration circuit 1611 is a step-down converter, using the LTC3604 monolithic synchronous buck regulator in the exposed pad MSOP-16 package. The DC1611 has a maximum input voltage 15V, and is capable of delivering up to 2.5A of output current at a minimum input voltage of 3.6V. The output voltage of the DC1611 can be set as low as 0.6V, the reference voltage of the LTC3604.
相关产品
文档
-
DC1611A - Schematic2012/2/28PDF47K
-
DC1611A - Demo Manual2010/3/12PDF1M
-
DC1611A - Design Files2010/3/12ZIP854K
