概览
产品详情
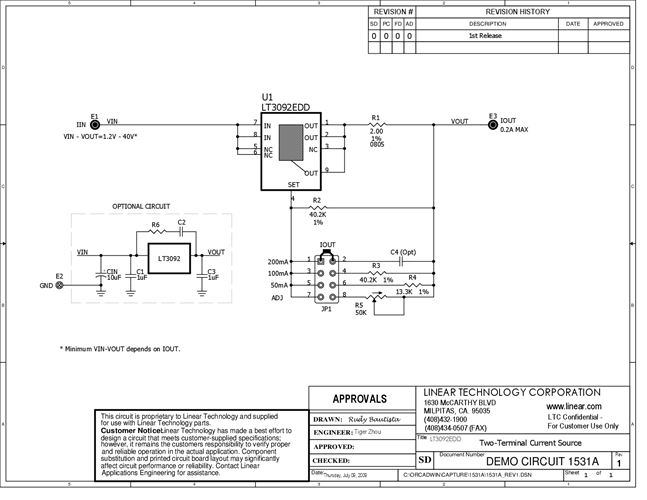
DC1531A:LT3092 200mA 2端子可编程电流源演示板。
文档
-
DC1531A - Schematic2009/10/22PDF74K
-
DC1531A - Demo Manual2009/10/22PDF425K
-
DC1531A - Design Files2009/10/22ZIP1M




