文档
-
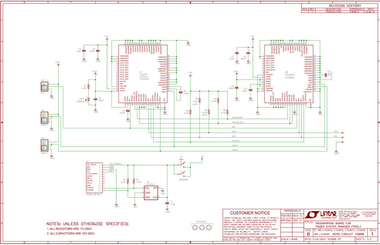
DC1508B - Schematic2014/6/24PDF54K
-
DC1508B - Demo Manual2014/6/24PDF792K
-
DC1508B - Design File2014/6/24ZIP2M

