概览
产品详情
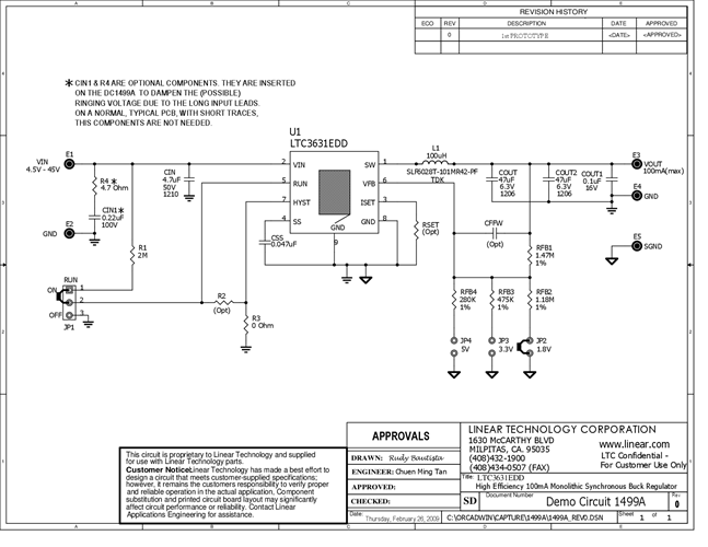
演示电路DC1499A是一款高效率降压DC/DC转换器,内置集成内部高端和同步电源开关的LTC3631,静态电源功耗仅为12μA。它具有4.5V至45V的宽输入范围和内部过压监控器,能够在60V浪涌中保护器件。跳线可选输出最高可达5V。LTC3631可提供高达100mA的负载电流,并具有可编程峰值电流限值,从而提供了一种简单的方法来优化较低电流应用中的效率。LTC3631无需补偿即可通过极少的元件轻松配置。
文档
-
DC1499A - Schematic2009/9/24PDF82K
-
DC1499A - Demo Manual2009/9/24PDF439K
-
DC1499A - Design File2009/9/24ZIP2M
