概览
产品详情
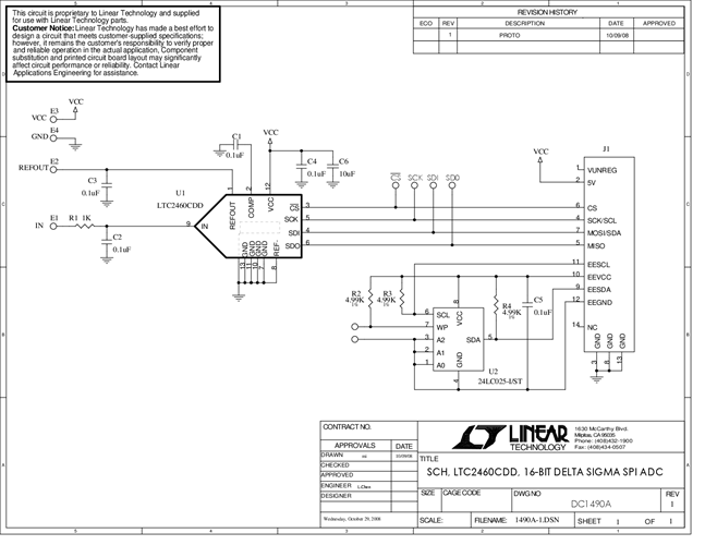
DC1490A: Demo Board for the LTC2460 Ultra-Tiny, 16-Bit ΔΣ ADCs with 10ppm/°C Max Precision Reference.
相关产品
文档
-
DC1490A - Schematice2010/8/25PDF37K
-
DC1490A - Demo Manual2015/4/27PDF277K
-
DC1490A - Design Files2010/8/25ZIP2M
