概览
产品详情
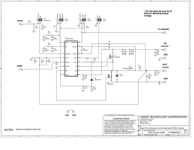
演示电路1346A是一款低静态电流同步降压DC/DC控制器,内置采用16引脚窄体SSOP封装的LTC3834-1。DC1346A通过4.5V至32V输入电压提供稳定的3.3V/5A输出。
相关产品
文档
-
DC1346A - Schematic2009/9/24PDF27K
-
DC1346A - Demo Manual2009/9/24PDF517K
-
DC1346A - Design File2009/9/24ZIP0M
