概览
产品详情
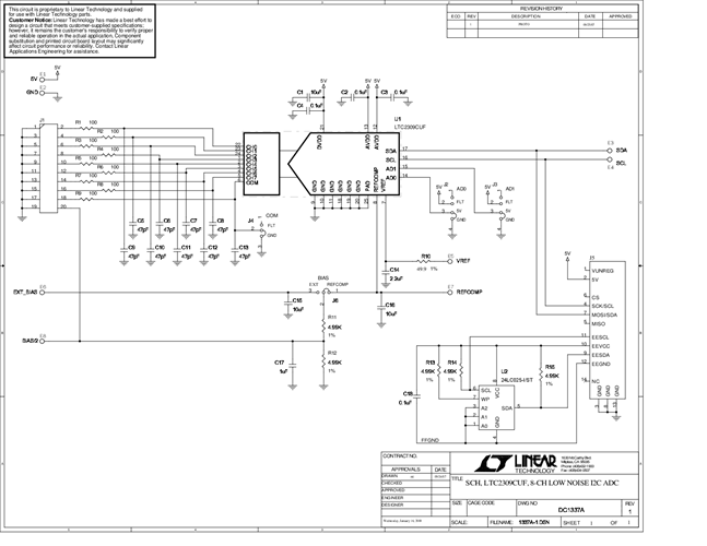
Demonstration circuit 1337 features the LTC2309, a low noise, low power, 8-Channel, 12-Bit, successive approximation ADC with an I2C compatible serial interface. The LTC2309 is available in a 24-pin 4mm × 4mm QFN package. DC1337 demonstrates the DC performance of the LTC2309 in conjunction with the DC590B quick evaluation data collection board.
相关产品
文档
-
DC1337A - Schematic2009/9/24PDF63K
-
DC1337A - Demo Manual2016/10/3PDF426K
-
DC1337A - Design File2009/9/24ZIP1M




