概览
产品详情
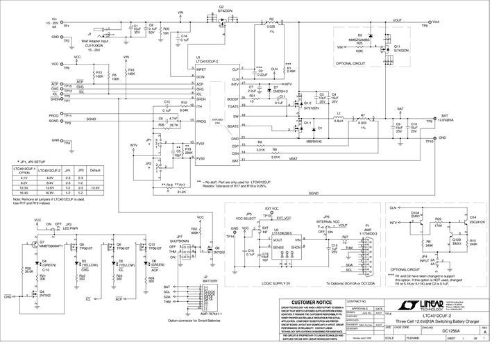
演示电路DC1256A是一款单电池独立电池充电器,可支持任何版本的LTC4012系列器件。LTC4012系列充电控制器IC不支持对任何特定化学电池进行充电终止。必要时可使用微控制器,通过常见的方法在LTC4012之外实现任何充电器终止。DC1256A配有LTC4012-2,它针对使用每节4.2V浮充电压的锂离子充电器应用进行了优化。该充电器输出电压通过跳线进行编程,以支持1节、2节、3节和4节串联堆锂离子电池。输入电压范围可以为6V至20V,演示板设计的大电压受输入电容电压额定值限制。要达到完全充电,最小输入电压必须大于浮空电压设置。
相关产品
文档
-
DC1256A - Demo Manual2009/10/6PDF568K
-
DC1256A - Design Files2009/10/6ZIP1M
