文档
-
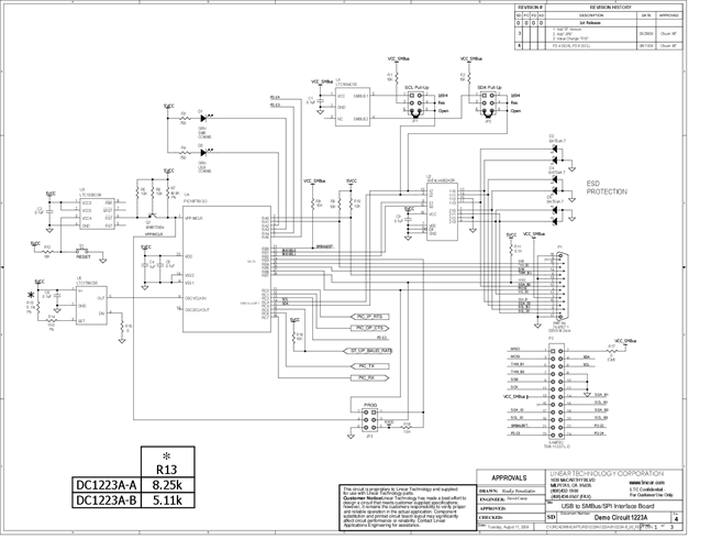
DC1223A-B - Schematic2009/10/6PDF123K
-
DC1223A-B - Demo Manual2016/3/4PDF2M
-
DC1223A-B - Design Files2009/10/6ZIP2M
