概览
产品详情
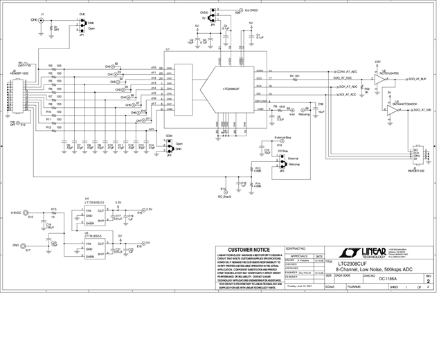
DC1186A:LTC2308低噪声、500ksps、8通道、12位ADC演示板
文档
-
DC1186A - Schematic2009/9/24PDF71K
-
DC1186A - Demo Manual2013/5/16PDF830K
-
DC1186A - Design File2009/9/24ZIP1M




