概览
产品详情
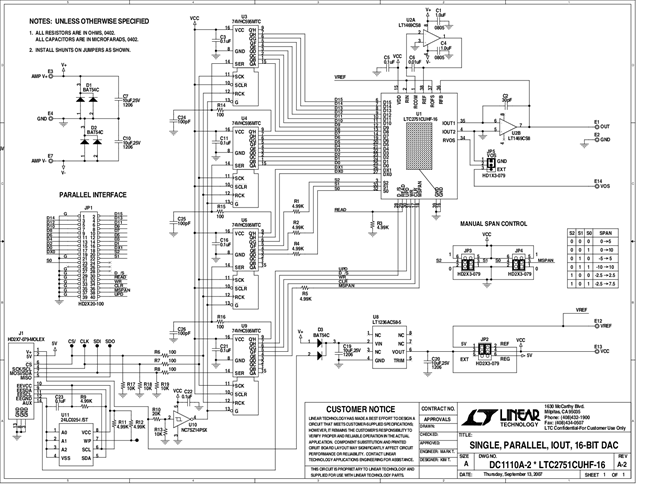
DC1110A - Demo Board for:
LTC2751-16 - Current Output 16-Bit SoftSpan DACs with Parallel I/O
相关产品
文档
-
DC1110A - Schematic2009/9/24PDF51K
-
DC1110A - Demo Manual2009/9/24PDF1M
-
DC1110A - Design File2009/9/24ZIP988K
