文档
-
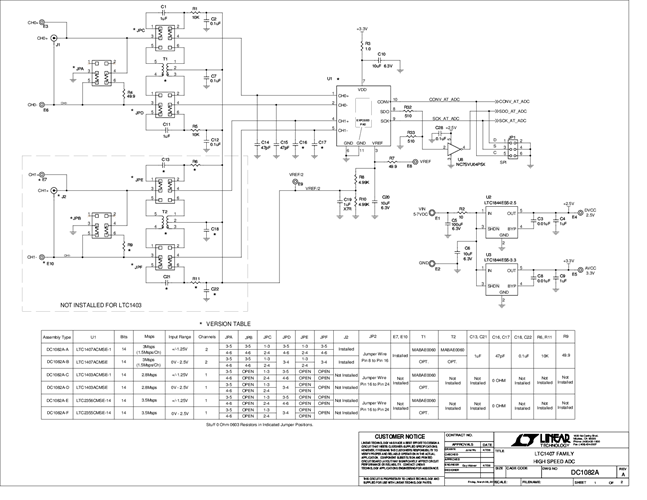
DC1082A - Schematic2013/3/13PDF76K
-
DC1082A - Demo Manual2013/5/16PDF794K
-
DC1082A - Design File2013/3/13ZIP1M
