文档
-
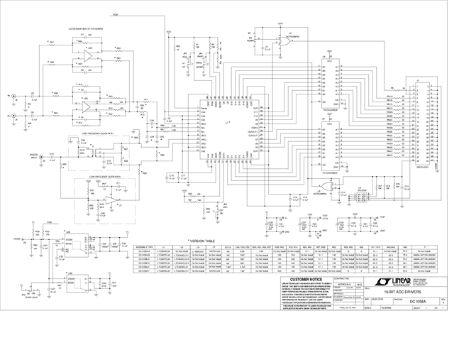
DC1058A - Schematic2009/9/24PDF50K
-
DC1058A - Demo Manual2009/9/24PDF339K
-
DC1058A - Design File2009/9/24ZIP1M
