概览
产品详情
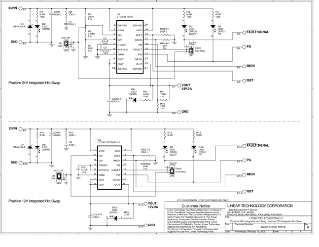
DC1051A: Demo Board for the LTC4217 2A Integrated Hot Swap Controller.
相关产品
文档
-
Hot Swap Controllers2023/8/2PDF0 M
-
DC1051A - Schematic2009/9/24PDF28K
-
DC1051A - Demo Manual2013/5/7PDF200K
-
DC1051A - Design File2009/9/24ZIP656K




