Integrated Power Supplies are Highly Reliable and Compact Postregulators
Abstract
This article discusses postregulators for generating a second output voltage. Highly integrated DC-DC step-up converter or PWM step-down regulator serve as very reliable, compact postregulators. Schematics are shown.
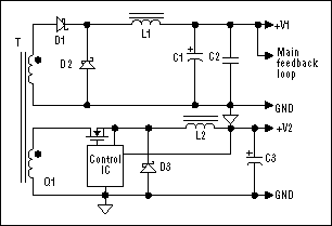
Most telecom and computing applications require multiple output voltages. Among them, one voltage is often either higher or lower than the main voltage with a great deal of low output current, normally less than 500mA. Typical approaches for generating a second voltage, V2, are (1) the magamp post-regulator and (2) extra winding with an active switch replacing the normal rectification diode, as shown in Figure 1(a) and 1(b), respectively. The problem with the magamp post-regulator is that the saturable reactor is expensive and bulky. It is not able to generate voltage higher than the core voltage. The difficulty with the second approach is that, for such small output current, it is not very cost-effective or space-saving.
 
 
(a.) Deriving second output by using the magamp.
 
 
(b.) Approach with extra winding plus an active switch.
Figure 1. Typical approaches for generating multiple output voltages.
It should be noted that there are many discrete components and ICs in the control circuit and that the real circuit schematics are much more complex than they appear in Figure 1.
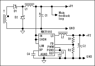
Figure 2 shows a simple solution that utilizes Maxim's space-saving and high-efficiency PWM step-down regulator, the MAX1692, for generating a low output voltage from the main output. This device is packed in a small 10-pin µMAX® package, which occupies about 60% less space than an 8-pin SO. With output voltage adjustable from 1.25V to VIN, 600mA output current is guaranteed. This device is highly integrated with minimal external components. It features over-voltage and -current protection. In addition, the MAX1692 can operate in one of four modes: forced PWM (constant switching frequency), synchronized by external switching frequency, PWM/PFM mode for boosting efficiency at light load and shutdown mode at standby. All required components for the post-regulator are shown in Figure 2.
 
 
Figure 2. Schematic of the MAX1692 used as a post-regulator (V2 < V1).
Figure 3 shows Maxim's solution for generating a high output voltage from the main output using the MAX1760, a space-saving and high-efficiency step-up regulator. This device is available in a small 10-pin µMAX package. At an output voltage from 2.5V to 5.5V, 800mA output current is guaranteed. Input voltage ranges from 0.7V to 5.5V. The MAX1760 is highly integrated with minimal external components. It can operate either in forced PWM (constant switching frequency) or synchronized by external switching frequency. All required components for the post-regulator are shown in Figure 3.
 
 
Figure 3. Schematic of the MAX1760 used as a post-regulator (V2 > V1).
Low external component counts of Maxim's solutions greatly reduce manufacturing cost and defects, thus increasing the product's reliability. In addition, the dynamic responses of the post-regulators are improved as long as there are enough filtering capacitors at +V1 output. This is in contrast to the two typical approaches shown in Figure 1, where the loop response for V2 should be made much slower than the main loop to avoid conflict between the two loops.
