Design Note 287: High Voltage Buck Regualtors provide High Current, Low Profile Power Solutions for FireWire Peripherals
Introduction
Faster data transfer requirements between a personal computer and an increasing number of peripheral devices have boosted the popularity of the IEEE 1394 High Performance Serial Bus (FireWire technology), which enables speeds up to 400Mbps. FireWire technology is finding its way into real time data transfer and data intensive devices such as DVD players, digital video recorders, zip drives and CDRW drives. There is a growing need for cost effective, low profile, low ripple DC/DC power supplies that provide 5V and 3.3V peripheral power directly from the FireWire cable at high currents (1A or greater). The LT1766 and LT3430 current mode regulators will satisfy these requirements.
Circuit Descriptions
FireWire power sources, such as personal computers, provide 8V to 40V to the FireWire serial bus at currents of up to 1.5A and can power up to 16 peripherals while transferring data synchronously or asynchronously. Power sink peripherals, which do not supply power to the serial bus, receive power from the serial bus via the two power pins of the 6-pin FireWire port. Each peripheral must include an internal DC/DC converter to convert the bus’s 8V to 40V input to a 5V or 3.3V output. Since many of these devices are portable consumer electronics, power consumption requirements are increasing while available space is decreasing. One way to decrease the total size and cost of a solution while keeping voltage ripple extremely low is to use ceramic input and output capacitors.
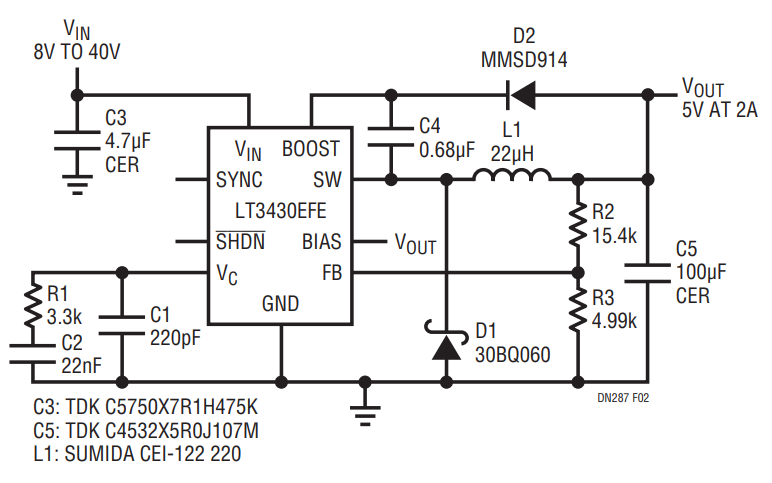
Figures 1 and 2 show two FireWire DC/DC converter solutions, both using ceramic input and output capacitors. Figure 1 shows a 3.3V, 1A output solution and Figure 2 shows a 5V, 2A output solution. Both have a 3.0mm maximum component height. The efficiencies and output voltage ripple for these two circuits are shown in Figures 3, 4 and 5. The output voltage ripple is extremely low, less than 15mVP-P for both solutions (see Figure 5). Higher output voltage yields overall higher efficiency since the forward voltage drop of the catch diode remains constant and is less significant.

Figure 1. This Low Component Count, 8V to 40V IN, 3.3V at 1A OUT DC/DC Converter Uses All Ceramic Capacitors. (Max Height of 3.0mm)

Figure 2. This Low Component Count, 8V to 40V IN, 5V at 2A OUT DC/DC Converter Uses All Ceramic Capacitors. (Max Height of 3.0mm)

Figure 3. The Effi ciency of the Circuit in Figure 1 is as High as 84% and Increases as Input Voltage Decreases.

Figure 4. The Efficiency of the Circuit in Figure 2 is as High as 90%.

Figure 5. Trace R1 Output Voltage Ripple of Figure 1 with 24V IN, 3.3V OUT, 1A OUT. Trace R2 Output Voltage Ripple of Figure 2 with 24V IN, 5V OUT, 2A OUT.
The LT1766/LT3430 high voltage buck regulators used in these solutions provide high current for FireWire peripherals with several key advantages, such as 60V input capabilities, 200kHz operating frequency, high power internal 1.5A/3A power switch current limits, shutdown capability and thermally enhanced 16-pin TSSOP exposed lead-frame packages.
The external location of both the feedback and compensation components, combined with the current mode architecture of the LT1766 and LT3430 makes it possible to provide simple compensation solutions using ceramic output capacitors. The circuits in Figures 1 and 2 use a 3-element compensation scheme. Note that these designs are not limited to the input and output voltages and currents shown here. The transient response can be optimized for other input and output values by simple adjustments to the compensation network.
Current mode regulators have major advantages over voltage mode regulators which require higher ESR output capacitors or are difficult to design and have higher parts count compensation schemes. With a voltage mode buck regulator, it can be difficult to get proper phase and gain margins using ceramic output capacitors due to the capacitors’ low ESR and lack of ripple voltage at the feedback node—a necessary evil for voltage mode controllers. Nonceramic, higher ESR capacitors supply the necessary increase in ripple voltage at the feedback node, but also have the undesirable side effect of increasing ripple at the output as well. Some manufacturers promote internal feedback or complicated compensation schemes that seem reasonable on the surface, but severely limit flexibility in choosing output capacitor sizes and types, input voltage ranges, and optimization of transient response and loop stability.
Conclusion
The LT1766 and LT3430 regulators provide simple, low profile power supply solutions for FireWire peripherals. They allow the use of ceramic input and output capacitors which minimizes the size, cost and ripple voltage of the supply while maintaining high efficiency and simplicity of design.