Applying and Using the DS1620 in Temperature Control Applications

Abstract

The DS1620 digital thermometer and thermostat provides three thermostat outputs (THIGH, TLOW and TCOM) that can be used to control a fan or heater. There are two user-programmable thresholds (TH and TL) that control the three outputs. When the measured temperature exceeds TH, THIGH is driven high. When the measured temperature falls below TL, TLOW is driven high. The TCOM output is driven high when the temperature exceeds TH, and it remains high until the temperature falls below TL. The threshold settings are stored in nonvolatile EEPROM, so that TH and TL can be programmed prior to installation for standalone thermostat operation.

Introduction

The DS1620 Digital Thermometer and Thermostat provides 9-bit temperature readings which indicate the temperature of the device. With three thermal alarm outputs, the DS1620 can also act as a thermostat. THIGH is driven high if the DS1620's temperature exceeds a user defined temperature TH. TLOW is driven high if the DS1620's temperature falls below a user defined temperature TL. TCOM is driven high when the temperature exceeds TH, and stays high until the temperature falls below that of TL. This is shown in Figure 1.

Figure 1. Thermostat output operation.

Figure 1. Thermostat output operation.

User defined temperature settings are stored in non-volatile memory, so parts may be programmed prior to insertion in a system, as well as used in stand-alone applications without a CPU. Temperature settings, and temperature readings are all communicated to/from the DS1620 over a simple 3-wire interface.

Temperature Control with the DS1620

The thermostat outputs of the DS1620 allow it to directly control heating and cooling devices. For example, the THIGH output could be used with an external latch to turn on a fan as soon as the measured temperature exceed the TH threshold, as shown in Figure 2. This is one possible use of the thermostat outputs, but it isn't the most efficient way to control a fan, since once the fan turned on, there is no way to turn it off.

Figure 2. Using T<sub>HIGH</sub> to drive a fan.

Figure 2. Using THIGH to drive a fan.

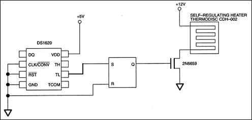
Conversely, the TLOW output could be used in a similar fashion to turn on a heating device, as shown in Figure 3. Once again, however, there is no way to turn the heater off once the desired temperature range is reached. Using a self-regulating heater prevents overheating, while the DS1620 assures that it initially turns on only if the temperature is cold enough to warrant it.

Figure 3. Using T<sub>LOW</sub> to drive a self-regulating heater.

Figure 3. Using TLOW to drive a self-regulating heater.

It would be possible to use the THIGH and TLOW outputs to set and reset an external latch, so that once the fan came on, it would stay on until the lower temperature threshold is reached, as shown in Figure 4. This same principle could be used with the heating example, provided TLOW set the latch and THIGH reset it.

Figure 4. Fan control with external latch.

Figure 4. Fan control with external latch.

The TCOM output is provided on the DS1620 to allow a fan to be directly controlled from the DS1620, without the need for external latches. An example of this is shown in Figure 5. This allows the fan to turn on only when the temperature exceeds the TH trip point, and will stay on until the temperature drops below the TL trip point. After that, the fan is turned off. This is ideal for systems where power is important, as the fan is used only when necessary and only for as long as needed.

Figure 5. Using the TCOM output to drive a fan.

Figure 5. Using the TCOM output to drive a fan.

The previous examples show the DS1620 being used in a stand-alone mode, without a connection to a microprocessor. In order to use it this way, the temperature limits must first be programmed into the DS1620; since the settings are nonvolatile, the parts can be programmed prior to insertion in the end system application. While these examples show the DS1620 in stand-alone mode, nothing prevents them from being used in an application where the DS1620 is interfaced to a microprocessor.