MAXQ3181

低功耗、有功功率测量、多相AFE

尚未实现多功能设计吗?请选择MAXQ3181有功功率表计,引脚兼容于MAXQ3180!

产品技术资料帮助

ADI公司所提供的资料均视为准确、可靠。但本公司不为用户在应用过程中侵犯任何专利权或第三方权利承担任何责任。技术指标的修改不再另行通知。本公司既没有含蓄的允许,也不允许借用ADI公司的专利或专利权的名义。本文出现的商标和注册商标所有权分别属于相应的公司。

Viewing:

概述

  • 兼容于3相/3线、3相/4线及其它3相配置
  • 0.1%的有功功率和电能线性误差
  • 0.5%的视在功率和电能线性误差
  • 0.5%的RMS电压和RMS电流线性误差
  • 零相电流测量
  • 电网频率(Hz)
  • 功率因数
  • 相序指示
  • 相电压丢失检测
  • 可编程脉冲宽度
  • 可编程潜动抑制电流门限
  • 可编程电表常数
  • 可编程欠压和过压检测门限
  • 可编程过流检测门限
  • 可计算无电压信号时的安时数
  • 片上数字温度传感器
  • 高精度内部电压基准2.048V (30ppm/°C,典型值),还支持外部电压基准
  • 测量每相及3相有功功率和电能(kWh),正向和反向
  • 测量每相及3相视在功率和电能
  • 支持软件校表
  • 多达3点的多点校准,补偿传感器的非线性
  • 电源失效检测
  • 双向复位输入/输出
  • SPI兼容串行接口,提供中断请求(/IRQ)输出
  • 3.3V单电源供电,低功耗(35mW,典型值)

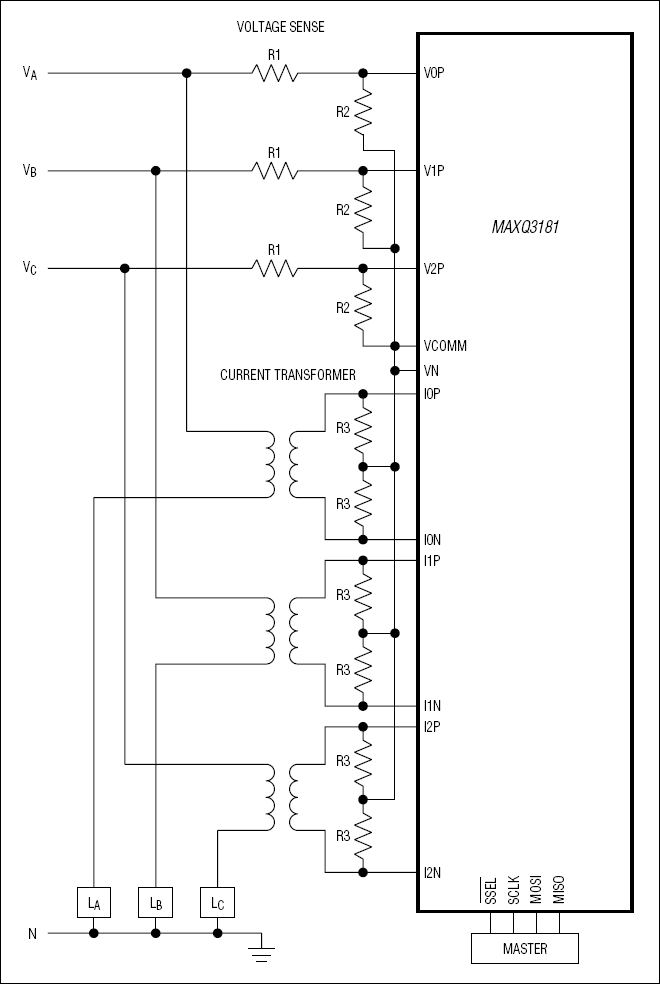
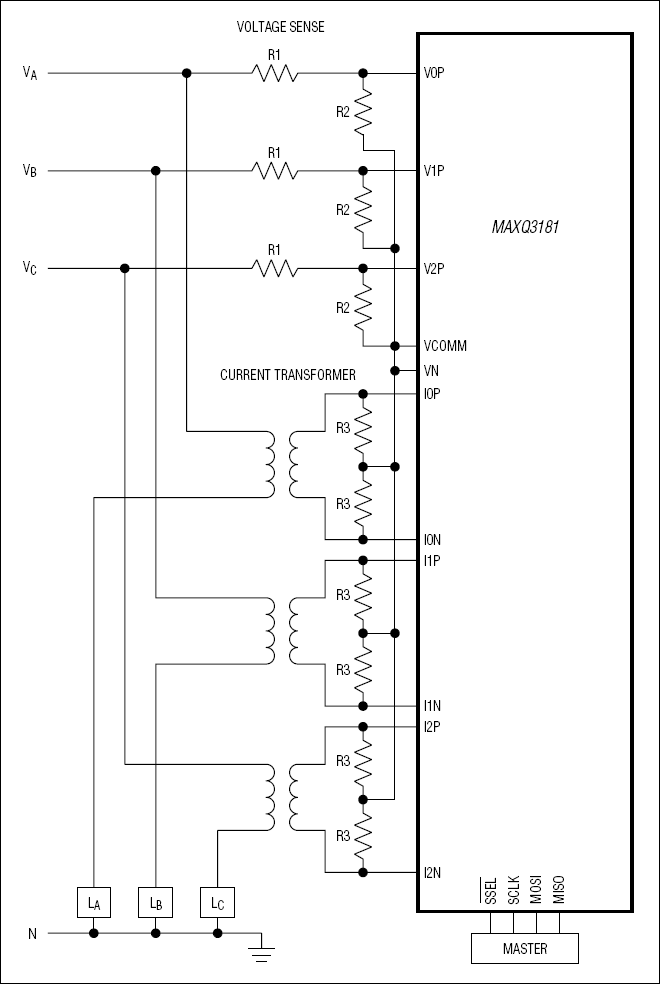
MAXQ3181是专用的电气参数测量前端,用于采集并计算多相负载的多相电压、电流、有功功率、电能以及其它多种计量参数。外部主机通过片内串行外设接口(SPI™)总线获取计算结果,还可通过该总线配置MAXQ3181的工作模式,监测工作状态。

MAXQ3181采用集成ADC进行电压和电流测量,最多可测量7个外部差分信号对,第8个差分信号对用于测量管芯温度。内部放大器自动调整电流通道增益,以补偿小电流通道信号电平。

应用

  • 3相有功功率电表

MAXQ3181
低功耗、有功功率测量、多相AFE
MAXQ3181:典型应用电路
添加至 myAnalog

将产品添加到myAnalog 的现有项目或新项目中(接收通知)。

创建新项目
提问

参考资料

可靠性数据 1

申请保密协议

完成保密协议(NDA)后可获得完整的文件。

申请保密协议
了解更多
添加至 myAnalog

Add media to the Resources section of myAnalog, to an existing project or to a new project.

创建新项目

软件资源

找不到您所需的软件或驱动?

申请驱动/软件

硬件生态系统

部分模型 产品周期 描述
模数转换器(ADC) 1
MAXQ3180 低功耗、多功能、多相AFE
Modal heading
添加至 myAnalog

将产品添加到myAnalog 的现有项目或新项目中(接收通知)。

创建新项目

最新评论

需要发起讨论吗? 没有关于 MAXQ3181的相关讨论?是否需要发起讨论?

在EngineerZone®上发起讨论

近期浏览