Two engineers working in the lab

利用ADI一套新的精密技术信号链,可节省时间并加快交付解决方案。从智能工业到仪器仪表、电气化到数字健康,您的应用都能找到匹配的精密技术组合产品。

放心定制您的信号链

MAX9697

过期

12通道可编程gamma基准系统

12通道可编程gamma基准系统,SPI接口

产品技术资料帮助

ADI公司所提供的资料均视为准确、可靠。但本公司不为用户在应用过程中侵犯任何专利权或第三方权利承担任何责任。技术指标的修改不再另行通知。本公司既没有含蓄的允许,也不允许借用ADI公司的专利或专利权的名义。本文出现的商标和注册商标所有权分别属于相应的公司。

Viewing:

概述

  • 12路可编程基准电压,具有10位分辨率
  • 基准电压受控的上升斜率
  • 可调节LDO
  • 检流比较器
  • 10V至18V模拟供电电压范围
  • 2.3V至3.6V供电电压范围
  • SPI接口

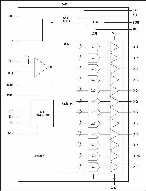
MAX9697为12路可编程gamma电压基准系统,可提供具有10位分辨率的12路可编程基准电压。这些电压基准可用于TFT-LCD显示器的gamma校正,也可作为VCOM电压基准或作为电平转换器输入的电源。每路基准电压带有一个10位数/模转换器(DAC)和高峰值电流的缓冲器,可降低临界电平和模板显示后的恢复时间。

可调节的低压差线性稳压器(LDO)用作DAC基准,进一步提高了DAC输出的稳定性和准确性。MAX9697集成栅极驱动器输出用于控制外部p沟道FET,以缓慢开启线性稳压器,从而使基准电压在可控状态下线性上升。

MAX9697带有串行外围接口(SPI™)总线,可对基准电压进行编程。该器件还具有检流比较器,用于检测应用电路中其它部分的异常电源电流。

MAX9697采用28引脚TQFN封装,工作在-40°C至+125°C温度范围。

应用

  • TFT-LCD板

MAX9697
12通道可编程gamma基准系统
MAX9697:功能框图
添加至 myAnalog

将产品添加到myAnalog 的现有项目或新项目中(接收通知)。

创建新项目
提问

参考资料

可靠性数据 1

申请保密协议

完成保密协议(NDA)后可获得完整的文件。

申请保密协议
了解更多
添加至 myAnalog

Add media to the Resources section of myAnalog, to an existing project or to a new project.

创建新项目

硬件生态系统

部分模型 产品周期 描述
产品 1
MAX5679 数字可编程LCD gamma基准发生器,提供数字可调电压基准
电平转换器和缓冲区 3
MAX9694 过期 14通道可编程gamma基准缓冲器,为TFT LCD显示器提供四路静态基准
MAX9591 过期 14通道可编程gamma基准缓冲器,为TFT-LCD显示器提供四路静态基准
MAX9590 过期 14通道可编程gamma基准缓冲器,为TFT-LCD显示器提供四路静态基准
数模转换器(DAC) 1
MAX9669 量产 带有MTP的10位可编程gamma基准系统,用于TFT LCD
Modal heading
添加至 myAnalog

将产品添加到myAnalog 的现有项目或新项目中(接收通知)。

创建新项目

最新评论

需要发起讨论吗? 没有关于 MAX9697的相关讨论?是否需要发起讨论?

在EngineerZone®上发起讨论

近期浏览