Two engineers working in the lab

利用ADI一套新的精密技术信号链,可节省时间并加快交付解决方案。从智能工业到仪器仪表、电气化到数字健康,您的应用都能找到匹配的精密技术组合产品。

放心定制您的信号链

MAX9679B

12通道、10位可编程Gamma、VCOM基准

为Gamma校准提供完备的可编程基准方案

产品技术资料帮助

ADI公司所提供的资料均视为准确、可靠。但本公司不为用户在应用过程中侵犯任何专利权或第三方权利承担任何责任。技术指标的修改不再另行通知。本公司既没有含蓄的允许,也不允许借用ADI公司的专利或专利权的名义。本文出现的商标和注册商标所有权分别属于相应的公司。

Viewing:

概述

  • 12路可编程gamma电压,10位分辨率
  • 具有10位分辨率的可编程VCOM电压
  • 可编程电压基准支持内部DAC
  • 可多次编程的存储器存储gamma和VCOM码
  • 在两组gamma曲线和VCOM电压之间切换
  • AVDD1、AVDD2和AVDD_AMP电源有助于减少发热
  • I²C接口(1MHz快速模式)

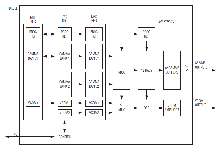
MAX9679B提供多路可编程基准电压用于TFT LCD gamma校准,一路可编程基准用于VCOM调节。所有gamma和VCOM参考电压具有10位数/模转换器(DAC)和大电流缓冲器,在显示一些关键电平和模板时,有助于缩短输出电压的恢复时间。可编程内部基准设置DAC的满量程电压。

两组独立的gamma曲线设置和VCOM码设置可以存储在IC内部的易失存储器。BKSEL信号选择这两项设置。

IC采用可多次编程的(MTP)存储器存储gamma和VCOM码,无需外部EEPROM。

应用

  • TFT-LCD

MAX9679B
12通道、10位可编程Gamma、VCOM基准
MAX9679B: Simplified Block Diagram
添加至 myAnalog

将产品添加到myAnalog 的现有项目或新项目中(接收通知)。

创建新项目
提问

参考资料

了解更多
添加至 myAnalog

Add media to the Resources section of myAnalog, to an existing project or to a new project.

创建新项目

最新评论

需要发起讨论吗? 没有关于 MAX9679B的相关讨论?是否需要发起讨论?

在EngineerZone®上发起讨论

近期浏览