MAX11358B

预发布

16位数据采集器,带有ADC、DAC、UPIO、RTC、电压监测器和温度传感器

业内集成度最高的低成本、智能数据采集系统(DAS),理想用于电池供电和便携产品

产品技术资料帮助

ADI公司所提供的资料均视为准确、可靠。但本公司不为用户在应用过程中侵犯任何专利权或第三方权利承担任何责任。技术指标的修改不再另行通知。本公司既没有含蓄的允许,也不允许借用ADI公司的专利或专利权的名义。本文出现的商标和注册商标所有权分别属于相应的公司。

Viewing:

概述

  • +1.8V至+3.6V单电源供电
  • 多通道、16位Σ-Δ ADC
    • 10sps至477sps可编程转换速率
    • 自失调、系统失调以及增益校准
    • 增益为1、2、4或8的PGA
    • 单极性和双极性模式
    • 10路输入差分复用器
  • 10位加载-感应DAC
  • 通用运算放大器
  • 双通道SPDT和SPST模拟开关
  • 可选基准
    • 1.25V、2.048V和2.5V
  • 内部电荷泵
  • 系统支持
    • 实时时钟和闹钟寄存器
    • 内部/外部温度传感器
    • 内部振荡器,带时钟输出
    • 用户可编程I/O和中断发生器
    • VDD监测器
  • SPI/QSPI/MICROWIRE、4线串行接口
  • 节省空间的(6mm x 6mm x 0.8mm)、40引脚TQFN封装

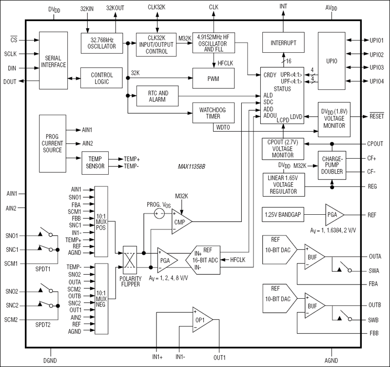
MAX11358B智能数据采集系统(DAS)基于16位、Σ-Δ模数转换器(ADC),系统支持的功能使其适用于基于微处理器(µP)的系统。器件在单个芯片中集成了ADC、DAC、运算放大器、内部可选电压基准、温度传感器、模拟开关、32kHz振荡器、带闹钟功能的实时时钟(RTC)、高频锁相环(FLL)时钟、四个用户可编程I/O、中断发生器以及1.8V和2.7V电压监测器。

MAX11358B带有两路10:1差分输入复用器(mux),可接受0至AVDD的信号电平。片上1倍至8倍增益的可编程增益放大器(PGA)可测量低压信号,减少了所需的外部电路。

MAX11358B采用+1.8V至+3.6V单电源供电,正常工作模式下仅消耗1.15mA电流,休眠模式下电流仅为3µA。MAX11358B带有两个DAC以及一路通用运算放大器。

串行接口兼容于SPI™/QSPI™或MICROWIRE™,用于上电、配置和检测全部功能模块的状态。

MAX11358B采用节省空间的40引脚TQFN封装,工作在商业级(0°C至+70°C)和扩展级(-40°C至+85°C)温度范围。

应用

  • 电池供电和便携式设备
  • 数据采集系统
  • 电化学与光传感器
  • 工业控制
  • 医疗仪器

MAX11358B
16位数据采集器,带有ADC、DAC、UPIO、RTC、电压监测器和温度传感器
MAX11358B:功能框图
添加至 myAnalog

将产品添加到myAnalog 的现有项目或新项目中(接收通知)。

创建新项目
提问
了解更多
添加至 myAnalog

Add media to the Resources section of myAnalog, to an existing project or to a new project.

创建新项目

硬件生态系统

部分模型 产品周期 描述
ADC/DAC组合转换器 4
MAX1414 量产 低功耗、16位、多通道DAS,内置电压基准、10位DAC及RTC
MAX1409 预发布 低功耗、16位、多通道DAS,内置电压基准、10位DAC及RTC
MAX1408 过期 低功耗、16位、多通道DAS,内置电压基准、10位DAC及RTC
MAX1407 量产 低功耗、16位、多通道DAS,内置电压基准、10位DAC及RTC
Modal heading
添加至 myAnalog

将产品添加到myAnalog 的现有项目或新项目中(接收通知)。

创建新项目

最新评论

需要发起讨论吗? 没有关于 MAX11358B的相关讨论?是否需要发起讨论?

在EngineerZone®上发起讨论

近期浏览