MAX96724/F/R EVKIT
Overview
Features and Benefits
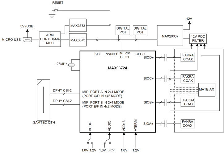
- The MAX96724 Deserializer Accepts GMSL Data from the Serializers and Converts it into MIPI CSI-2.
- Backward-Compatible to Accept GMSL-1 Serial Data
- Quad Inputs can Mix and Match GMSL-1 and GMSL-2
- Outputs are Compliant to MIPI D-PHY v1.2 and CSI-2 v1.3 Specifications
- Windows 10® or Higher Compatible Software Support
- USB-Controlled Interface (Cable Included)
- Powerful, Simple-to-Use GUI for Comprehensive Device Feature Evaluation
- Board Powered by USB, 12V Wall Adapter, or External Power Supply
- Proven PCB Layout
- Fully Assembled and Tested
Product Details
The MAX96724 DPHY evaluation kit (EV kit) provides a proven design and reliable platform to evaluate the MAX96724, MAX96724F, and MAX96724R devices using standard FAKRA coaxial cables or a MATE-AX cable. These deserializer devices support high-bandwidth, gigabit multimedia serial links (GMSL-1 or GMSL-2) and offer spread spectrum and full-duplex control channel features. The EV kit includes a simple-to-use Windows 10® or higher compatible graphical user interface (GUI) to exercise device features. The EV kit comes with a MAX96724, MAX96724F, or MAX96724R IC installed on board.
For complete GMSL-2 evaluation using standard FAKRA coax cables, order the MAX96724 coax EV kit along with a companion serializer board, such as the MAX9295A coax EV kit. For a detailed look at all GMSL-2 features, including information on how to use the parts, see the newest GMSL-2 User Guide found in Analog Devices’ GMSL customer portal folder. For more information on how to design customized hardware with GMSL2 devices, see the newest GMSL2 Hardware Design Guide in Analog Devices’ GMSL customer portal folder.
APPLICATIONS
- High-Resolution Camera Systems
- Advanced Driver Assistance Systems (ADAS)
Documentation & Resources
-
MAX96724/F/R: MAX96724 DPHY Evaluation Kit Data Sheet (Rev. 4)3/20/2023PDF2 M
-
MAX96724 Gerber Files1/30/2023ZIP2 M
-
MAX96724F-BAK-EVK ODB Files9/8/2022ZIP2 M


