AN-2020: 黿ºã®èªååã¢ããªã±ãŒã·ã§ã³åãã«åªãã EMC æ§èœãåãããAD7606B ADC ããŒã¹ã® PCB èšèš

ã¢ããªã±ãŒã·ã§ã³ã»ããŒã䜿çšäžã®æ³šæ
æ¬ã¢ããªã±ãŒã·ã§ã³ããŒãã®è±èªä»¥å€ã®èšèªãžã®ç¿»èš³ã¯ãŠãŒã¶ã®äŸ¿å®ã®ããã«æäŸããããã®ã§ããããªããžã§ã³ãå€ãå ŽåããããŸããææ°ã®å 容ã«ã€ããŠã¯ãå¿ ãææ°ã®è±èªçããåç §ãã ããã
ãªããæ¥æ¬èªçã®ã¢ããªã±ãŒã·ã§ã³ããŒãã¯åºæ¬çã«ãRev.0ãïŒãªããžã§ã³0ïŒã§äœæãããŠããŸãã

AN-2020: 黿ºã®èªååã¢ããªã±ãŒã·ã§ã³åãã«åªãã EMC æ§èœãåãããAD7606B ADC ããŒã¹ã® PCB èšèš
ã¯ããã«
AD7606Bã¯ã8ãã£ã³ãã«åæãµã³ããªã³ã°ã®16ãããA/D倿ããŒã¿ã»ã¢ã¯ã€ãžã·ã§ã³ã»ã·ã¹ãã ïŒDASïŒã§ããåãã£ã³ãã«ã«ã¯ã1åã®é次æ¯èŒã¬ãžã¹ã¿ïŒSARïŒA/Dã³ã³ããŒã¿ïŒADCïŒãå èµãããŠããŸããAD7606Bã¯ãä¿è·ãªã¬ãŒã»ã·ã¹ãã ãããŒãžã³ã°ã»ãŠãããã»ã·ã¹ãã ããã®ä»ã®éé ·ãªç°å¢ã§äœ¿çšããã2次åŽé»æºã®èªååããã€ã¹ãªã©ã黿ºã®èªååã·ã¹ãã ã§äœ¿çšã§ããããã«èšèšãããŠããŸãããããã®ã·ã¹ãã ã§ã¯ãé»ç£äž¡ç«æ§ïŒEMCïŒã®èšèšãæãéèŠã§ãã
ãã®ã¢ããªã±ãŒã·ã§ã³ã»ããŒãã§ã¯ãEMCããŒãã»ã¬ãã«ã®èšèšãšã黿µã»é»å§æ€åºåè·¯ã®ã€ã³ã¿ãŒãã§ãŒã¹ã«ãããŠAD7606Bãæšæºçãªã¢ããã°ã»ããã³ãã»ãšã³ãïŒAFEïŒãšããŠäœ¿çšããå Žåã®ã¬ã€ãã©ã€ã³ã«ã€ããŠèª¬æããŸãã
黿ºã®èªååã·ã¹ãã ã«ãããAD7606Bã®ä»£è¡šçãªäœ¿çšäŸ
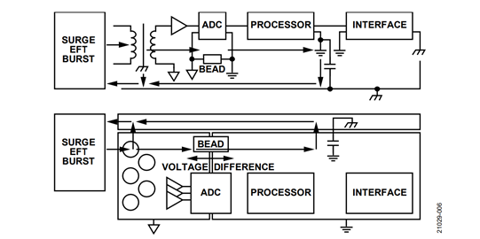
å³1ã«ã黿ºã®èªååã·ã¹ãã ã«ãããAD7606Bã®ä»£è¡šçãªäœ¿çšäŸã瀺ããŸããæšæºçãªæ§æã§ã¯ãAD7606Bã¯ãã·ã³ãã«ãªRCããŒã¹ã®ããŒãã¹ã»ãã£ã«ã¿ãä»ããŠé»æµãã©ã³ã¹ãŸãã¯é»å§ãã©ã³ã¹ã«æ¥ç¶ããŸãã
AC220Vïœ380Vã®é»åéèšã·ã¹ãã ã®ãããªäœé»å§ã¢ããªã±ãŒã·ã§ã³ã§ã¯ãé»å§ãã©ã³ã¹ã®ä»£ããã«æµæåå§ãããã¯ãŒã¯ã䜿çšããŠé»å§ã枬å®ããããšãã§ããŸãïŒå³2åç §ïŒããã®åè·¯ã®å ¥åã¯ã¢ã€ãœã¬ãŒã·ã§ã³ãªãã«çŽæ¥éé»ç³»çµ±ãšæ¥ç¶ãããŠãããããAFEéšåã«ã¯éé»ç³»çµ±ããã®é»æ°çãªè¡æã«èããããã ãã®å ç¢æ§ãå¿ èŠã§ãã


EMCèŠæ Œ
äžè¬ã«ãåçšAC黿ºã«ã¯é»æ°çãªè¡æãæ°çš®é¡ååšããŸããAD7606Bã®å ç¢æ§ã®è©Šéšã§ã¯ãEMCèŠæ Œã«åºã¥ã3çš®é¡ã®é»æ°çè¡æãAD7606BããŒã¹ã®EMCãã¹ãã»ããŒãã«å ããŸãã
IEC 61000-4-2ïŒé黿Ÿé»ïŒESDïŒ
AD7606BããŒã¹ã®EMCãã¹ãã»ããŒãã«å ãã黿°çè¡æã®1ã€ãã¯ãIEC 61000-4-2ã§èŠå®ãããé黿°æŸé»ïŒESDïŒã§ããESDãµãŒãžã¯ãã»ãšãã©ã®é»æºèªååè£ çœ®ã«åœ±é¿ãäžããŸããESD詊éšã§ã¯ãæ¥è§Šãç絡ããŸãã¯çµ¶çžç Žå£ã«ãã£ãŠ2ã€ã®åž¯é»ããç©äœéã«çºçããæ¥æ¿ãªé»æ°ã®æµããã·ãã¥ã¬ãŒãããŸãã
IEC 61000-4-2èŠæ Œã§ã¯æ¥è§ŠæŸé»æ³ãšæ°äžæŸé»æ³ã§è©Šéšãè¡ãããŸããæ¥è§ŠæŸé»æ³ã¯ã2kVïœ8kVã®ç¯å²ã§èŠå®ããã4ã€ã®ã¬ãã«ã§è©ŠéšããŸããæ°äžæŸé»æ³ã§ã¯ã2kVïœ15kVã®è©Šéšãè¡ãããŸãã黿ºèªååè£ çœ®ã¯ãã¬ãã«4ã®ESD詊éšã«åæ Œããå¿ èŠããããŸãããã®ããã8kVã®æ¥è§ŠæŸé»ãš15kVã®æ°äžæŸé»ãAD7606Bãã¹ãã»ããŒãã«é©çšããŠããã€ã¹ã®å ç¢æ§ãæ€èšŒããŸããESD詊éšã®ã»ããã¢ãããšESDã®è©Šéšæ³¢åœ¢ã«ã€ããŠã¯ãIEC 61000-4-2èŠæ Œãåç §ããŠãã ããã
IEC 61000-4-4ïŒ é»æ°çãã¡ã¹ãã»ãã©ã³ãžã§ã³ãïŒEFTïŒïŒ ããŒã¹ãã»ãã©ã³ãžã§ã³ã
AD7606BããŒã¹ã®EMCãã¹ãã»ããŒãã§è¡ããã1ã€ã®é»æ°çè¡æè©Šéšã¯ãIEC 61000-4-4ã«èŠå®ããã黿°çãã¡ã¹ãã»ãã©ã³ãžã§ã³ãïŒEFTïŒïŒããŒã¹ãã»ãã©ã³ãžã§ã³ãã§ãããã®èŠæ Œã§ã¯ãéé»ç³»çµ±ã§ç¹°è¿ãçºçããEFTãšããŒã¹ãã«å¯Ÿããè£ çœ®ã®èæ§ã調ã¹ãŸãã
IEC 61000-4-4èŠæ Œã§ã¯ã2ã€ã®ç¹°è¿ãåšæ³¢æ°ã«ãã4ã€ã®è©Šéšé»å§ã¬ãã«ãå®çŸ©ãããŠããŸãããŸããã·ã¹ãã ã®ããŒãã黿ºããŒããšä¿¡å·å ¥åºåããŒãã«åé¡ããŠããŸããAD7606Bã®äžè¬çãªçšéã¯ãéé»ç³»çµ±ã®é»å§ããã³é»æµæž¬å®ã§ãããããAFEåè·¯ã¯éé»ç³»çµ±ã«çŽæ¥æ¥ç¶ãããŸãããããã£ãŠãAD7606BããŒã¹ã®AFEåè·¯ã«é¢ããŠã¯ããã¹ãŠã®å ¥åããŒãã黿ºããŒããšã¿ãªãããŸãã
黿ºèªååè£ çœ®ã¯ã¬ãã«4ã®EFTïŒããŒã¹ã詊éšã«åæ Œããå¿ èŠããããŸãããã®ããã4kVã®é»å§ãAD7606B EMCãã¹ãã»ããŒãã«å°å ããŠããã€ã¹ã®å ç¢æ§ãæ€èšŒããŸãã
IEC 61000-4-5ïŒãµãŒãž
AD7606BããŒã¹ã®EMCãã¹ãã»ããŒãã§è¡ã3ã€ãã®é»æ°çè¡æè©Šéšã¯ãIEC 61000-4-5ã®ãµãŒãžè©Šéšã§ãããµãŒãžè©Šéšã§ã¯ãé·ãç£æ¥æŽ»åã«ãã£ãŠçºçããéé»ç³»çµ±ããã®ãµãŒãžã«å¯Ÿããè£ çœ®ã®èæ§ã調ã¹ãŸãã
IEC 61000-4-5èŠæ Œã§ã¯ã波圢ã®çµã¿åããã2çš®é¡èŠå®ãããŠããŸããããããã®æ³¢åœ¢ã¯ã詊éšããããŒãã®çš®é¡ã«å¿ããŠç°ãªããŸãã10/700ÎŒsã®æ³¢åœ¢ã®çµã¿åããã¯ã察称éä¿¡ç·ã«æ¥ç¶ãããããŒãã®è©Šéšã«äœ¿çšããŸãã1.2/50ÎŒsïŒé»å§ïŒãŸãã¯8/20ÎŒsïŒé»æµïŒã®æ³¢åœ¢ã®çµã¿åããã¯ä»ã®ãã¹ãŠã®å Žåã«äœ¿çšããŸããç¹ã«ã1.2/50ÎŒsãŸãã¯8/20ÎŒsã®æ³¢åœ¢ã¯ãé»åç·ãè·é¢ã®çãä¿¡å·ç·ãšã®æ¥ç¶çšã«çšæãããããŒãã®è©Šéšã«äœ¿çšããŸããAD7606Bã察象ãšããã¢ããªã±ãŒã·ã§ã³ã¯é»åç·ã®æž¬å®ã§ãããããã£ãŠãEMC詊éšã§ã¯1.2/50ÎŒsïŒé»å§ïŒãŸãã¯8/20ÎŒsïŒé»æµïŒã®æ³¢åœ¢ã®çµã¿åããã䜿çšããŸãã
黿ºã®èªååã·ã¹ãã ã«ãããAFEã§ã¯ãé»å§ãã£ã³ãã«ã®å ¥åã¯é«ã€ã³ããŒãã³ã¹ã§ãããããã£ãŠãé»å§ãã£ã³ãã«ã®å ¥åã«ã¯1.2/50ÎŒsã®é»å§æ³¢åœ¢ãå°å ããŸãããŸããéåžžã黿µãã£ã³ãã«ã¯äœå ¥åã€ã³ããŒãã³ã¹ã§ãããããã£ãŠã黿µå ¥åãã£ã³ãã«ã«ã¯8/20ÎŒsã®é»æµæ³¢åœ¢ãå°å ããŸãã
黿ºèªååè£ çœ®ã¯ã¬ãã«4ã®ãµãŒãžè©Šéšã«åæ Œããå¿ èŠããããŸãã4kVã®ã³ã¢ã³ã¢ãŒãé»å§ãš2kVã®å·®åé»å§ãAD7606B EMCãã¹ãã»ããŒãã®å ¥åããŒãã«å°å ããŠãè£ çœ®ã®å ç¢æ§ãæ€èšŒããŸãã
EFTïŒããŒã¹ã詊éšã®ã»ããã¢ãããšESDã®è©Šéšæ³¢åœ¢ã«ã€ããŠã¯ãIEC 61000-4-5èŠæ Œãåç §ããŠãã ããã
EMC詊éšã§èµ·ããããADCã®æ é
ãã®ã¢ããªã±ãŒã·ã§ã³ã»ããŒãã§äœ¿çšããEMC詊éšçšããªã³ãåè·¯åºæ¿ïŒPCBïŒã¯ãEMCã«é¢ãã3çš®é¡ã®é»æ°çè¡æã«å¯ŸããAD7606Bã®å ç¢æ§ã®æ€èšŒãç®çã«èšèšãããŠããŸããPCBãèšèšããåã«ãSAR ADCãEMC詊éšã«ãã£ãŠã©ã®ããã«æ éããããããã³æ éãã©ã®ããã«ç£èŠãããæ€èšããŸãã
代衚çãªæ éã®1ã€ã«ãADCã®å éšããžãã¯ã®ã©ããã»ã¢ãããæããããŸãããã®æ éãçºçããŠãããšãSAR ADCã¯ãã¹ãããå€æä¿¡å·ãåä¿¡ãããšãã«ãé©åã«ããžãŒä¿¡å·ãé§åããŠãã¹ãã«ã¢ã¯ãã¬ããžããããšãã§ããŸãããAD7606Bã«ãã®ãããªæ éãçºçããŠããããšãç£èŠããããããã¹ãã»ããã»ããµã¯å€æããªã¬ãADCã«å®æçã«éä¿¡ããŸãã倿ããªã¬ãéä¿¡ããåŸãããã»ããµã¯ããžãŒä¿¡å·ããã€ã«ãªããã©ãããã§ãã¯ããããã«çŽ50nsåŸ ã¡ãŸãããããŠæ¬¡ã«ãããžãŒä¿¡å·ãããŒã«ãªããã©ãããã§ãã¯ããããã«æŽã«5ÎŒsåŸ ã¡ãŸããããžãŒä¿¡å·ããã§ãã¯ããããšã§ãããã»ããµã¯ãã®ã¿ã€ãã³ã°ãAD7606BããŒã¿ã·ãŒãã®ä»æ§ã®ç¯å²å ã«ãããã©ããã倿ããŸãã
ä»ã«ã黿ºæå ¥æã«åŒ·ãå€éšå¹²æžãçºçãããšSAR ADCã®å éšã¬ãžã¹ã¿ã誀ã£ãŠåæåãããŠããŸããšããæ éããããŸãããã®æ éã¯ãSAR ADCãèªå·±èšºææ©èœãåããŠããªããšç£èŠãå°é£ã§ããããããAD7606Bã¯ãå éšã¡ã¢ãªã®ããŒã¿ç Žæãç¹å®ããã¹ããŒã¿ã¹ã»ã¬ãžã¹ã¿ã1ã€åããŠããã黿ºæå ¥æã«ããŒã¿ãåé·å·¡åæ€æ»ïŒCRCïŒããã¹ã§ãããã©ãããèå¥ããŸãã
ADCã¯ãEMC詊éšäžã«èª€ã£ãŠãªã»ãããããããšããããŸããAD7606Bã®ã¹ããŒã¿ã¹ã»ã¢ãã¿æ©èœã¯ãã¹ããŒã¿ã¹ã»ã¬ãžã¹ã¿ã宿çã«ãã§ãã¯ããããšã§EMC詊éšäžã«ããªã¬ãããããŒã·ã£ã«ã»ãªã»ãããç¹å®ããŸãããŸããã¹ããŒã¿ã¹ã»ã¬ãžã¹ã¿ããã¹ãã»ããã»ããµã§ç£èŠããããšã«ãã£ãŠãAD7606Bã誀ã£ãŠãªã»ããããããã©ããç¥ãããšãå¯èœã§ãã
EMC詊éšäžã«ãé»å§ãªãã¡ã¬ã³ã¹ãå éšé»æºãªã©ãADCã®å éšä¿¡å·ã«ãšã©ãŒãçºçããããšããããŸããAD7606Bã¯ãå éšä¿¡å·ãšå éšLDOåºåããµã³ããªã³ã°ããŠå€æããããšãã§ããŸãããã¹ãã»ããã»ããµã§ADCã«å éšä¿¡å·ãšLDOåºåããµã³ããªã³ã°ãããããšãå¯èœã§ããããEMC詊éšäžã«ADCã®ç¶æ ãç£èŠããæ¹æ³ã®1ã€ã§ãã
EMC詊éšçšPCBã®æ©èœããã³ã·ã¹ãã ã®èª¬æ
EMCãã¹ãã»ããŒãã«ã¯ãæµæåå§ãããã¯ãŒã¯ã䜿çšãã4åã®é»å§ãã£ã³ãã«ãæèŒãããŠããã100V ACä¿¡å·ã®æžè¡°ãšæž¬å®ãè¡ãããšãã§ããŸãããã®åè·¯ã¯ãæµæåå§ãããã¯ãŒã¯ã䜿çšããŠããããšã§çµ¶çžããªã¢ããªããAD7606Bã®å ¥åãEMCå¹²æžã®å ¥åã«çŽæ¥æ¥ç¶ããããããEMC詊éšã«ãããŠéèŠãšãªããŸãã
ãŸããEMCãã¹ãã»ããŒãã«ã¯æšæºçãªé»æµãã©ã³ã¹ã䜿çšãã4åã®é»æµãã£ã³ãã«ãæèŒãããŠããã20Aã®é»æµä¿¡å·ãæ€åºã§ããŸãã黿µãã©ã³ã¹ã«ãã£ãŠã·ã¹ãã ã®å ¥åããŒããšAD7606Bã®å ¥åã®éã«çµ¶çžããªã¢ããããããEMCå¹²æžã®ã»ãšãã©ã¯ãããã¯ããããšãã§ããŸãã
å èµã®ãã€ã¯ãããã»ããµããµã³ããªã³ã°ãå¶åŸ¡ãã倿ããŒã¿ãã¿ã€ãã³ã°ãã¹ããŒã¿ã¹ããã§ãã¯ããŸããããã»ããµãADCã®æ éãçºèŠãããšãæ éLEDãç¹ç¯ããŸããæ éLEDã®è²ã«ãã£ãŠã©ã®ãããªæ éãçºçããããåãããŸããæ éLEDã詊éšäžã«å ããªããã°ãAD7606Bã¯å ç¢ã§ããæ éLED以å€ã«ã詊éšäžã«ç¹æ» ãç¶ãããã1ã€ã®LEDããããŸãããã®2åç®ã®LEDã®ç¹æ» ã¯ãããã»ããµãæ£åžžã«åäœããŠããããšã瀺ããŸãã
ã¢ããã°å ¥åä¿è·åè·¯
éåžžãAD7606Bã¯é»æµãã©ã³ã¹ã®2次ã³ã€ã«ã«çŽæ¥æ¥ç¶ããŸããAD7606Bã®å ¥åãšé»æµãã©ã³ã¹ã®2次ã³ã€ã«ã®éã«ã¯RCããŒãã¹ã»ãã£ã«ã¿ãé 眮ãããŠãããéé»ç³»çµ±ããã®é«åšæ³¢ã®å¹²æžã®äœæžãé«åšæ³¢EMCå¹²æžã®æžè¡°ãããã³å ¥åã«æ±ããããéé»å§ä¿è·ã®æ¡ä»¶ç·©åãå®çŸããŸãã
PCBã®ã»ã³ãµãŒåºåã«ã¯é»å§ãã©ã³ãžã§ã³ãå§çž®ïŒTVSïŒãã€ãªãŒãã®P6KE6.8Cãé 眮ãããŠããã黿µãã©ã³ã¹ããã®éé»å§ãã¯ã©ã³ãããŸãïŒå³3åç §ïŒãEMC詊éšäžã¯TVSãPCBããå€ããŸããããã§ãAD7606Bã¯EMCã®è¡æã«èããããšãã§ããŸããããã¯ãRCããŒãã¹ã»ãã£ã«ã¿ã®ãããã§ã黿µãã©ã³ã¹ã®2次ã³ã€ã«ããã®è¡æã«å¯ŸããŠå éšã®éé»å§ä¿è·ãååã«åŒ·åã§ããããšã瀺ããŠããŸãã
æµæåå§ãããã¯ãŒã¯ã¯ãå ¥åé»å§ã100VããAD7606Bã®å ¥åç¯å²ãŸã§æžè¡°ãããŸããæµæR49ïŒå³5åç §ïŒã¯ã2.2nFã®ã³ã³ãã³ãµC47ãšå ±ã«ä¿¡å·ã®ã¢ã³ããšã€ãªã¢ã·ã³ã°çšã®ããŒãã¹ã»ãã£ã«ã¿ãæ§æããŸãããã®ããŒãã¹ã»ãã£ã«ã¿ã¯EMCä¿¡å·ã®æžè¡°åšãšããŠæ©èœããŸãããŸããéé»å§ãçºçããå Žåãæµæåå§ãããã¯ãŒã¯ã¯å ¥å黿µãå¶éããAD7606Bã®å ¥åãä¿è·ããŸãã
æŽã«ãé»å§ãã£ã³ãã«ã®å ¥åã«ã¯ããããããªã¹ã¿ã1åå èµãããŠãããé»å§ãµãŒãžã«ããè¡æãåžåããŸããããªã¹ã¿ã¯ãæµæåå§ãããã¯ãŒã¯ã®ããããžãæ¡çšããå Žåã®æšæºçãªé»å§ãã£ã³ãã«ã®EMCä¿è·éšåã§ãã
åè·¯ã¬ã€ã¢ãŠãæã®èæ ®äºé
å ç¢ãªEMCæ§èœã®PCBãèšèšããã«ã¯ã以äžãèæ ®ããããšãéèŠã§ãã
å šäœãèæ ®ããé 眮
åºæ¿å šäœãèæ ®ããŠéšåãé 眮ããã«ã¯ãä¿¡å·ã®æµãã«åŸãå¿ èŠããããŸãããã¹ãŠã®ã»ã³ãµãŒå ¥åããŒãïŒé»å§å ¥åãã£ã³ãã«ãšé»æµå ¥åãã£ã³ãã«ïŒã¯ãEMCãã¹ãã»ããŒãäžã®äžåŽãšå³åŽã«é 眮ããŸããã»ã³ãµãŒã®åºåä¿¡å·ã¯ãPCBã®äžå€®ã«é 眮ããAD7606Bã®å ¥åã«æ¥ç¶ããŸããããã»ããµã¯ãPCBã®å·ŠåŽããAD7606Bã®ããžã¿ã«å ¥åºååŽã«æ¥ç¶ããŸããããã«ãããå šäœçãªä¿¡å·ã®æµãã¯ãPCBã®äžåŽãšå³åŽïŒã»ã³ãµãŒå ¥åïŒããäžå€®ã®AD7606BãžããããŠå·ŠåŽã®ããã»ããµãžãšåãããŸãããã®åºæ¿å šäœãèæ ®ããé 眮ã«ãã£ãŠãã¢ããã°ã®é«é»å§åè·¯ãšããžã¿ã«ã®äœé»å§åè·¯ãåå²ããããšãã§ããŸããã¢ããã°é«é»å§ãšãªã¢ïŒã»ã³ãµãŒå ¥åïŒããã®å°é»æ§ã®EMCå¹²æžããäœé»å§ã®ããžã¿ã«ã»ãšãªã¢ã«æµå ¥ããåã«ãããã¯ããããã€ãã¹ããããšãã§ããã°ãPCBã¯EMCã«é¢ããŠå®å šã§ããåå²ãšå šäœçãªä¿¡å·ã®æµããæç¢ºã«ããããšãå°é»æ§ã®å¹²æžãPCBäžã§å¶åŸ¡ããããã®åææ¡ä»¶ã§ãã
ã¹ããªããã»ã°ã©ãŠã³ãã¯äœ¿çšããªã
ã¢ããã°ã»ã°ã©ãŠã³ããšããžã¿ã«ã»ã°ã©ãŠã³ãã®åé¢ã¯AD7606Bã®S/Næ¯æ§èœãåäžãããŸãããEMCãµãŒãžã«ãããªã¹ã¯ãéåžžã«é«ããªããŸããç¹ã«ããã§ã©ã€ãã»ããŒãºã䜿çšããŠã¢ããã°ã»ã°ã©ãŠã³ããšããžã¿ã«ã»ã°ã©ãŠã³ãã1ã€ã®æ¥ç¶ãã€ã³ãã§æ¥ç¶ãããšå±éºã§ããå³6ã«ãã¹ããªããã»ã°ã©ãŠã³ããåå ã§çããEMCã®åé¡ã«ã€ããŠç€ºããŸãã


ã»ãšãã©ã®EMCå¹²æžä¿¡å·ã¯ãEFTïŒããŒã¹ããªã©ã®ã³ã¢ã³ã¢ãŒãä¿¡å·ã§ããã³ã¢ã³ã¢ãŒãã®EMC詊éšã§ã¯ãEMCä¿¡å·çºçåšãé«éã»é«é»å§ã®å¹²æžä¿¡å·ãçæããŸããçºçåšã¯ããã¹ã察象ããã€ã¹ïŒDUTïŒã®å ¥åããŒããšã°ã©ãŠã³ãã®éã«å¹²æžä¿¡å·ãå°å ããŸãã
ã³ã¢ã³ã¢ãŒã黿µã¯ãDUTã®ã¢ããã°éšåãæµãããã«ãããªã³ã°ã»ã³ã³ãã³ãµãä»ããŠPCBã®ã¢ããã°ã»ã°ã©ãŠã³ãã«æµå ¥ããŸãããã®ãšããã³ã¢ã³ã¢ãŒã黿µã¯æå°ã®ã€ã³ããŒãã³ã¹ã§ã¢ãŒã¹ã»ã°ã©ãŠã³ãã«éããçµè·¯ãæ¢ããŠEMCã®ä¿¡å·çºçåšãŸã§æµããããšããŸãã
DUTã®ã¢ãŒã¹ã»ã°ã©ãŠã³ããã·ã¹ãã ã®ããžã¿ã«åŽã®è¿ãã«ããããšãå€ãããã®å Žåãã³ã¢ã³ã¢ãŒã黿µã¯å¿ ãã·ã¹ãã ã®ã¢ããã°åŽããããžã¿ã«åŽãçµç±ããŠã°ã©ãŠã³ããŸã§æµããããšã«ãªããŸããã¹ããªããã»ã°ã©ãŠã³ãã䜿çšãããŠãããšãã³ã¢ã³ã¢ãŒã黿µã¯å¿ ãã·ã³ã°ã«æ¥ç¶ãã€ã³ããéããŠã¢ããã°ã»ã°ã©ãŠã³ããšããžã¿ã«ã»ã°ã©ãŠã³ãã®éãæµããŸããããã«ããã黿µãéåžžã«å€§ããå Žåã¯2ã€ã®ã°ã©ã³ãã»ãã¬ãŒã³ã®éã«å€§ããªé»äœå·®ãçºçããAD7606Bã誀åäœããããšããããŸãããããã£ãŠããã§ã©ã€ãã»ããŒãºãã¢ããã°ã»ã°ã©ãŠã³ããšããžã¿ã«ã»ã°ã©ãŠã³ãã®æ¥ç¶ã«äœ¿çšããããšã¯ãéåžžã«é倧ãªåé¡ãšãªãå¯èœæ§ããããŸãã
ãã«ãããªã³ã°ã»ã³ã³ãã³ãµ
ãã«ãããªã³ã°ã»ã³ã³ãã³ãµã¯ãAD7606Bã®é»æºãã³ã®è¿ãã«é 眮ããŸãããã«ãããªã³ã°ã»ã³ã³ãã³ãµã®æŠèŠãå³7ã«ç€ºããŸãã
AD7606Bã®å éšé»å§ã¬ã®ã¥ã¬ãŒã¿çšã®1ÎŒFãã«ãããªã³ã°ã»ã³ã³ãã³ãµã¯C20ãšC21ã§ããé»å§ãªãã¡ã¬ã³ã¹ããã³ãªãã¡ã¬ã³ã¹ã»ãããã¡çšã®10ÎŒFãã«ãããªã³ã°ã»ã³ã³ãã³ãµã¯C24ãšC25ã§ãããã®4åã®ã³ã³ãã³ãµã¯ãPCBäžé¢ã§ä»¥äžã®ãã³ã®è¿ãã«é 眮ããŠãã ããã
- ã³ã³ãã³ãµC21ã¯ãã³35ãšãã³36ã«æ¥ç¶ãããã¿ãŒã³ãã§ããã ãçãããŸãã
- ã³ã³ãã³ãµC20ã¯ãã³39ãšãã³40ã«æ¥ç¶ãããã¿ãŒã³ãã§ããã ãçãããŸãã
- ã³ã³ãã³ãµC24ã¯ãã³42ãšãã³43ã«æ¥ç¶ãããã¿ãŒã³ãã§ããã ãçãããŸãã
- ãã³44ãšãã³45ãæ¥ç¶ããŸãããã³46ãšãã³47ãæ¥ç¶ãããã®ãã¿ãŒã³ãã³ã³ãã³ãµC25ã«æ¥ç¶ããŸãããã¿ãŒã³ã¯ã§ããã ãçãããŸãã


C18ãšC19ã¯ã3.3Vããžã¿ã«é»æºçšã®ãã«ãããªã³ã°ã»ã³ã³ãã³ãµã§ãããããã®ã³ã³ãã³ãµã«å¯Ÿå¿ããAD7606Bã®ãã³ã¯ãã³23ãšãã³26ã§ãïŒå³9åç §ïŒã2ã€ã®ãã¢ããã³23ãšãã³26ã®è¿ãã«é 眮ãããã«ãããªã³ã°ã»ã³ã³ãã³ãµãPCBäžé¢åŽã®ãã¢ã®è¿ãã«é 眮ããŸãã
AD7606Bã«ã¯ã4åã®5Vã¢ããã°é»æºå ¥åãã³ïŒãã³1ããã³37ããã³38ããã³48ïŒãèšããããŠããŸãããããã®ãã³ã«ããããã«ãããªã³ã°ã»ã³ã³ãã³ãµã®é 眮ãå³10ã«ç€ºããŸãããã«ãããªã³ã°ã»ã³ã³ãã³ãµã¯ãPCBäžé¢åŽã®ãã¢ã®è¿ãã«é 眮ããŸãïŒå³10ã®ãã³ã¯è²ã®ãããããªã³ãïŒããã¢ãšé»æºãã³ã®éã®ãã¿ãŒã³ã¯ã§ããã ãçãããŠãã ããã
EMC詊éš
以äžã«èª¬æããEMC詊éšã§ã¯ãPCBã®é»æºã¯ããããªã§äŸçµŠããŸãã
ESD詊éš
±8kVã®æ¥è§ŠæŸé»ãšÂ±15kVã®æ°äžæŸé»ã«ããå¹²æžã以äžã®ããŒãã«å°å ããŸãã
- ãã¹ãŠã®é»å§ãã£ã³ãã«å ¥åããŒã
- ãã¹ãŠã®é»æµãã£ã³ãã«å ¥åããŒã
- åçŽçµåæ¿
- æ°Žå¹³çµåæ¿
ãããã®å¹²æžä¿¡å·ãæ¥ç¶ããŠããADCã®æ éã瀺ãLEDã¯ç¹ç¯ããŸããããããã£ãŠãAD7606Bã¯ã·ã¹ãã ã»ã¬ãã«ã®ESD詊éšã«åæ Œããããšãã§ããŸãã
EFTïŒããŒã¹ã詊éš
±4kVã100kHzã®å¹²æžä¿¡å·ãšÂ±4kVã5kHzã®å¹²æžä¿¡å·ã以äžã®ããŒãã«å°å ããŸãã
- ãã¹ãŠã®é»å§ãã£ã³ãã«å ¥åããŒã
- ãã¹ãŠã®é»æµãã£ã³ãã«å ¥åããŒã
ãããã®å¹²æžä¿¡å·ãæ¥ç¶ããŠããADCã®æ éã瀺ãLEDã¯ç¹ç¯ããŸããããããã£ãŠãAD7606Bã¯ã·ã¹ãã ã»ã¬ãã«ã®EFTïŒããŒã¹ã詊éšã«åæ Œããããšãã§ããŸãã
ãµãŒãžè©Šéš
AD7606BããŒã¹ã®EMCãã¹ãã»ããŒãã«ã¯ãAçžãBçžãCçžããããŠäžæ§å ¥åã®Nçžããæã4åã®é»å§å ¥åãã£ã³ãã«ãæèŒãããŠããŸãã
ã³ã¢ã³ã¢ãŒãã®ãµãŒãžè©Šéšã§ã¯ã±4kVã®ã³ã¢ã³ã¢ãŒãé»å§ãä»»æã®é»å§å ¥åãšã¢ãŒã¹ã»ã°ã©ãŠã³ãïŒPEïŒã®éã«å°å ããŸãã以äžã®çµã¿åããã§æ¥ç¶ããŸãã
- AçžãšPE
- BçžãšPE
- CçžãšPE
- AçžãBçžãããã³CçžãšPE
å·®åã¢ãŒãã®ãµãŒãžè©Šéšã§ã¯ã±2kVã®å·®åã¢ãŒãé»å§ãåé»å§å ¥åãã£ã³ãã«éã«å°å ããŸãã以äžã®æ¥ç¶ã§å®æœããŸãã
- AçžãšBçž
- AçžãšCçž
- AçžãšNçž
- BçžãšCçž
- BçžãšNçž
- CçžãšNçž
ããããã®çžã«Â±4kVã®ã³ã¢ã³ã¢ãŒãé»å§ãšÂ±2kVã®å·®åã¢ãŒãé»å§ãå°å ãããŠããéãADCã®æ éã瀺ãLEDã¯ç¹ç¯ããŸããããããã£ãŠãé©åã«èšèšããããšã«ãããAD7606Bã¯ã·ã¹ãã ã»ã¬ãã«ã®ãµãŒãžè©Šéšã«åæ Œããããšãã§ããŸãã