Sometimes You Need a Little Gain Part 2
Read other articles in this series.
Introduction
Part 1 of "Sometimes You Need a Little Gain"dealt with a pseudo-differential ADC driver with gains of one to ten. This time a fully differential ADC driver, again with gains of one to ten will be described. First a brief recap on the LTC2373-18 SAR ADC and a description of the LT6237 op amp which will be used as the ADC driver for this application.
The LTC2373-18 is an 18-bit, 1Msps, 8-channel SAR ADC with an integrated high performance reference and programmable sequencer. The LTC2373-18 can be configured to accept both pseudo-differential (unipolar and bipolar) and fully differential input signals. For best performance, an op amp should be used to drive the MUX analog inputs for both fully differential and pseudo-differential applications. The datasheet shows several alternatives for buffering or attenuating the input signal, this article will explore applications where a gain of more than one may be required.
The LT6237 was chosen as the driver for this application because of its high bandwidth, low noise, low offset and low supply current. The LT6237 is a dual 215MHz gain bandwidth product, rail-to-rail output op amp/SAR ADC driver that features 1.1nV/√Hz input referred noise voltage density, with a typical offset of only 100μV that draws only 3.5mA of supply current per amplifier. The LT6237 is available in 8-pin MSOP and DFN packages. The fully differential driver circuit presented here has been characterized over a range of gains and input frequencies in an attempt to give the potential user a good idea of the driver’s suitability for their application.
| Rg | Rf | Gain | AIN Range |
| ∞ | 24.9 | 1 | 0-4.096V |
| 499 | 499 | 2 | 0-2.048V |
| 499 | 2000 | 5 | 0-0.8192 |
| 499 | 4530 | 10 | 0-0.4096V |
Driver Operation
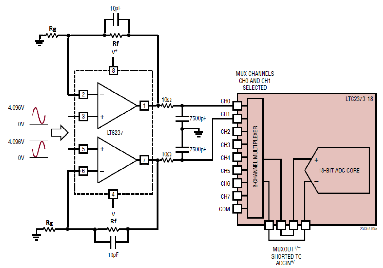
The circuit of Figure 1 is a fully differential non-inverting amplifier driving the LTC2373-18.The driver has a gain between one and ten depending on the values of Rg and Rf as shown in Table 1. The 10Ω, 7500pF lowpass RC filter on the output of the LT6237 limits the ADC MUX input bandwidth to 2.1MHz. The filter capacitor also acts as a charge reservoir for the ADC sample-and-hold capacitor and helps to isolate the LT6237 from the transient that occurs at the MUX input when the ADC goes into sample mode. The filter resistor is also used to help isolate the LT6237 output from the ADC sampling transient.

Figure 1. Fully Differential Driver for LTC2373-18 with a Gain Range of 1 to 10
Driver Performance
As shown in Figures 2 and 3, with a gain of 1 the circuit of Figure 1 has an SNR of 100dB and a THD of –113dB with a sampling rate of 1Msps and a 1kHz input frequency. These numbers are close to the typical data sheet performance specifications for fully differential operation of the LTC2373-18 by itself, indicating that the circuit performance in a gain of one is not degrading the ADC. Looking at Figure 2 which shows THD performance vs input frequency for gains of one through ten, it can be seen that the THD climbs above –90dB with input frequencies over 25kHz regardless of which gain is selected. By 200kHz THD is still below –70dB for gains of one or two. This is close to the performance shown in the datasheet typical curve for the LTC2373-18. This would suggest that the ADC is the limiting factor.

Figure 2. THD vs Input Frequency for the Circuit of Figure 1
Looking at Figure 3 which shows SNR performance vs input frequency for gains of one through ten, it can be seen that the SNR starts at 100dB for an input frequency of 1kHz and gains of one or two but falls off as the input frequency and gain rises. At gains of one to five, SNR is reduced to 92dB beyond 100kHz. At a gain of ten, SNR is reduced to 92dB above 50kHz. With a gain of one or two, SNR performance is similar to the datasheet typical curve suggesting that performance is limited by the ADC. With gains of five or ten, the LT6237 limits the SNR performance.

Figure 3. SNR vs Input Frequency for the Circuit Circuit of Figure 1
Comparing results with the pseudo-differential driver from part 1 indicates that the highest bandwidth performance as well as best SNR and THD performance will be obtained using the fully differential driver.
著者について
Bob Dobkin氏、Bob Widlar氏、Carl Nelson氏、Tom Redfern氏の指導の下、オペアンプ、コンパレータ、スイッチング・レギュレータ、A/Dコンバータ(ADC)など、様々な製品を担当。この時期には、...