要約
スペクトラム拡散の原理に関するチュートリアル概要。ダイレクトシーケンスおよび高速ホッピング方式をともに網羅しています。性能予測を行うための理論式が提供されます。CDMAおよびTDMAとの関連も論じられています。コードシーケンスジェネレータの図が示されています。直接スペクトラム拡散方式(DSSS)および周波数ホッピングスペクトラム拡散(FHSS)方式のスペクトラムも参照することができます。
はじめに
スペクトラム拡散方式の人気が高まるにつれて、分野外の電気エンジニアたちもこの技術についてのわかりやすい説明を強く求めるようになっています。このテーマに関しては多くの書物やWebサイトが存在しますが、その多くは理解が困難であり、また一部の局面だけを取り上げて他の項目を無視しています(たとえば、DSSSの種類を取り上げているもののPRN符号の生成のみに焦点を当てています)。
以下の説明では、スペクトラム拡散のすべてを全スペクトル(全範囲)にわたって網羅しています。
小史
スペクトラム拡散通信技術は、何と女優と音楽家の手によって初めて紙面に登場しました。1941年、ハリウッド女優のHedy LamarrとピアニストのGeorge Antheilは、魚雷を制御する安全な無線リンクについて記述し、米国特許#2.292.387を取得しました。当時、米国軍隊はこれを真剣に受け止めなかったため、忘れ去られていましたが、1980年代に復活し、苛酷な環境で無線リンクを必要とするアプリケーション用にますます人気が高まりました。
結果として出現することになった短距離データトランシーバ用の代表的なアプリケーションは、衛星測位システム(GPS)、3Gモバイル通信、W-LAN (IEEE® 802.11a、IEEE 802.11b、IEEE 802.11g)、およびBluetooth®などです。また、スペクトラム拡散技術は、通信のニーズと無線周波数の利用可能性との間の終わりのない競争を促進することにもなりました(無線スペクトルは有限であるため、高価な資源です)。
スペクトラム拡散に対する理論的な正当化
スペクトラム拡散は、以下に示すシャノンとハートレーのチャネル容量の定理から明確に理解できます。
C = B × log2 (1 + S/N)
この式で、Cはチャネル容量(bps)で、これは理論上のビットエラーレート(BER)に対する最大データレートです。Bは必要なチャネル帯域幅(Hz)で、S/Nは信号対ノイズ電力比です。さらに明確にするため、通信チャネルが許容する情報量を表すCが、所望の性能をも表すものと仮定します。また、帯域幅(B)は払うべき代償になります(周波数は限られた資源であるため)。S/N比は、環境条件や物理的特性(障害物、妨害電波、干渉など)を表します。
この式を簡潔に説明すると、すなわち、困難な環境(ノイズや干渉によって生じる低S/N比)に応用できるということであり、信号電力がノイズフロアを下回っている場合でも、より多くの帯域幅(高いB)を許容または挿入することで、通信性能(高いC)を維持することができ、あるいは増加させることすら可能であるということを表しています(この式はその条件を妨げるものではありません!)
対数の底を2からe (ネイピア数)に変更してln = logeと表せば、上式は次のようになります。
C/B = (1/ln2) × ln(1 + S/N) = 1.443 × ln(1 + S/N)
マクローリンの級数展開を適用すると、次のようになります。
ln(1 + x) = x - x²/2 + x³/3 - x4/4 + ... + (-1)k+1xk/k + ...:
C/B = 1.443 × (S/N - 1/2 × (S/N)² + 1/3 × (S/N)³ - ...)
スペクトラム拡散アプリケーションの場合、S/Nは通常、低い値になります(今述べたように、信号電力密度がノイズレベルを下回る場合さえあります)。ノイズレベルがS/N << 1と仮定すれば、シャノンの式は次のように簡素化されます。
C/B ≈ 1.433 × S/N
さらに思い切って簡素化すれば、
C/B ≈ S/N
すなわち
N/S ≈ B/C
したがって、一定の信号対ノイズ比で、エラーフリーの情報をチャネルで送信するのに必要なことは、基本となるスペクトラム拡散信号の拡散動作を実行することだけ、つまり搬送帯域幅を増やすことだけです。この原理は単純明白と思われますが、実行するのは簡単なことではありません。その主な理由は、ベースバンドを拡散すると(場合によっては数桁のオーダーで拡散される)、電子回路はそれに応じて動作および対応することが要求され、拡散と逆拡散の動作が必要になるからです。
定義
さまざまなスペクトラム拡散技術が利用可能ですが、その考え方には1つの共通点があります。それは、通信チャネルに挿入されるキーです(符号またはシーケンスとも呼ばれる)。この符号の挿入方法によって、対象となるスペクトラム拡散技術が厳密に定義されます。「スペクトラム拡散」という用語は信号帯域幅の拡大を指しており(場合によっては数桁のオーダーで拡大される)、キーが通信チャネルに挿入されるときに拡散されます。
スペクトラム拡散の正式な定義はさらに厳密です。つまり、スペクトラム拡散とは、高周波信号を挿入することによってベースバンド信号帯域幅をより広い帯域幅に意図的に拡散したRF通信システムです(図1)。直接的な結果として、信号の送信に使用されるエネルギーは、より広い帯域幅に拡散されるので、ノイズのように見えます。拡散されたベースバンドと元の信号の間の比率(dB)は、処理利得と呼ばれます。代表的なスペクトラム拡散の処理利得は、10dB~60dBの範囲になります。
スペクトラム拡散技術を利用するには、アンテナの前の送信チェーン内に、対応するスペクトラム拡散符号を挿入するだけです(この挿入を拡散動作と呼びます)。この結果、情報がより広い帯域幅に拡散されます。反対に、データを取り出す前に受信チェーン内のあるポイントでスペクトラム拡散符号を取り除きます(逆拡散動作)。逆拡散動作の結果、元の帯域幅で情報が再構築されます。言うまでもなく、送信チャネルの両端があらかじめ同じ符号を認識しておく必要があります(状況によっては、「両端のみが認識する」ということが必要な場合もあります)。
拡散動作による帯域幅の効果
図2は、通信リンクにおける信号帯域幅の評価を示しています。
スペクトラム拡散変調は、BPSKやダイレクトコンバージョンなどの従来方式の変調に加えて適用されます。スペクトラム拡散符号を受け取らないその他の信号はすべて拡散されずにそのままの状態であることを実証できます。
逆拡散動作による帯域幅の効果
同様に、逆拡散は図3のように表せます。
スペクトラム拡散復調は、上述の通常の復調動作に加えて行われます。送信中に付加された信号(干渉信号や妨害電波など)は、逆拡散の動作時に拡散されることも実証できます。
拡散による帯域幅の浪費は多数のユーザによって相殺
拡散すると、直ちにより広い周波数帯域を使用することになるので(上述の「処理利得」に正確に一致する倍数分だけ広がる)、限りある周波数リソースを惜しみなく使用します。ただし、この乱用は、拡大した周波数帯域を多くのユーザが共有できる可能性によって、十分に補償されます(図4)。
スペクトラム拡散は広帯域技術
通常の狭帯域技術とは対照的に、拡散のスペクトラム拡散プロセスは広帯域技術です。たとえば、W-CDMAやUMTSは、(狭帯域無線に比べて)比較的大きな周波数帯域幅を必要とする広帯域技術です。
スペクトラム拡散の利点
耐干渉性および対妨信効果
スペクトラム拡散技術には多くの利点があります。干渉に対する耐性が最も重要な特長です。意図的または意図的でない干渉や妨害信号は、スペクトラム拡散キーを含まないため、受け付けられません。キーを持つ所望の信号のみが、逆拡散動作を施すことにより、レシーバでこの信号を確認できます。図5を参照してください。
この干渉(狭帯域または広帯域)が、逆拡散動作で使用するキーを含まない場合、実用的にはこれを無視できます。この拒否は、正しいキーを持たない他のスペクトラム拡散信号にも適用できるので、異なるスペクトラム拡散通信を同一帯域(CDMAなど)で同時に有効にすることができます。スペクトラム拡散は広帯域技術ですが、その逆は当てはまらないということに注意してください。広帯域技術がスペクトラム拡散技術を伴う必要はありません。
耐傍受性
耐傍受性は、スペクトラム拡散技術で得られる2番目の利点です。権限のない受信者は元の信号の拡散に使用するキーを持たないので、これを復調することはできません。正しいキーがないと、スペクトラム拡散信号はノイズまたは干渉信号に見えます。(ただしキーが短いと、スキャニング法でこの符号が破られる可能があります)。さらに良好なことに、拡散動作によってスペクトル密度が低減するため、信号レベルをノイズフロア以下にできます。図6を参照してください。(総エネルギーは同じですが周波数で広く拡散されます)。通信はこうして不可視となり、特に直接スペクトラム拡散(DSSS)方式で強い効果が現れます。(DSSSは以下で詳細に説明されます)。他のレシーバは送信内容を「確認する」ことができず、全体的なノイズレベルが若干増加するという結果しか示されません。
耐フェージング性(マルチパス効果)
ワイヤレスのチャネルはほとんどの場合、マルチパス伝播を含んでいるので、トランスミッタからレシーバまで、複数の経路(パス)で信号が伝搬されます。このようなマルチパスは、大気中の反射や屈折によって、あるいは地面からの反射や建物などの物体からの反射によって生じます(図7)。
フェージングと呼ばれる現象では、反射経路(R)が直接経路(D)と干渉する可能性があります。逆拡散プロセスは信号Dに同期するため、信号Rに同じキーが含まれていたとしても、信号Rは拒否されます。反射経路の信号を逆拡散し、抽出した信号結果をメインの信号に追加することで、これらの信号を使用することもできます。
スペクトラム拡散によってCDMAを実現
スペクトラム拡散は変調方式ではありません。他の変調タイプと混同しないようにしてください。たとえば、スペクトラム拡散技術を使用して、FSKやBPSKによって変調された信号を送信することができます。符号化の原則のおかげで、スペクトラム拡散は、多元接続(同じ物理媒体上に、複数の同時通信リンクが実際上または見かけ上共存すること)を実行するためのもう1つの方法として使用することもできます。現段階では、主として次の3つの方法が利用可能です。
FDMA—周波数分割多元接続(Frequency Division Multiple Access)
FDMAは通信チャネルに特定の搬送周波数を割り当てます。ユーザの数は、周波数スペクトルの「分割」数に限定されます(図8)。マルチアクセスを可能にする3方式の中で、FDMAは、周波数帯域の利用という点では、最も非効率なものです。FDMAアクセス方式には、ラジオ放送、TV、AMPS、およびTETRAPOLEがあります。
TDMA—時分割多元接続(Time Division Multiple Access)
ここでは、各ユーザが、明確なタイムスロットの割り当てに従って、互いに話しかけたり待ち受けたりします(図9)。これにより、固有の搬送周波数に対していろいろな通信チャネルを確立できます。TDMAの例としては、GSM、DECT、TETRA、およびIS-136などがあります。
CDMA—符号分割多元接続(Code Division Multiple Access)
空中へのCDMA接続は、キーすなわち符号によって決まります(図10)。この意味では、スペクトラム拡散はCDMA接続と言えます。キーは、あらかじめトランスミッタ側とレシーバ側で決定し、認識しておく必要があります。ここから発展した例としては、IS-95 (DS)、IS-98、Bluetooth、およびWLANなどがあります。
当然、上記の接続方法を組み合わせることも可能です。たとえば、GSMはTDMAとFDMAを組み合わせたものです。これは、異なる搬送周波数を持つトポロジの範囲(セル)を定義し、各セル内でタイムスロットを設定します。
スペクトラム拡散と(逆)符号化「キー」
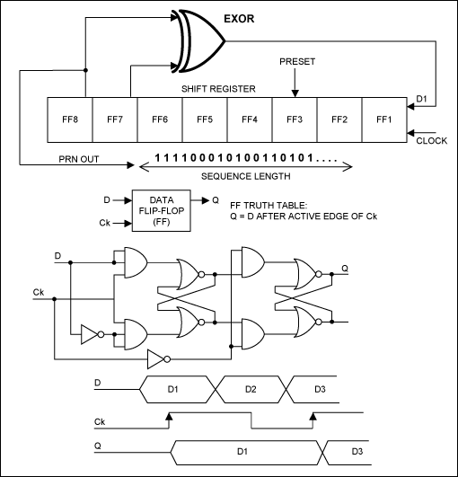
ここまで読まれた方は、スペクトラム拡散の主な特性が符号またはキーの存在で、トランスミッタとレシーバがあらかじめこれらを認識していなければならないことがおわかりでしょう。近代の通信では、符号はディジタルシーケンスであり、「ノイズのように」見えるよう、できるだけ長くランダムでなければなりません。ただしいずれにせよ、これらは復元可能でなければなりません。そうでなければ、レシーバは送信されたメッセージを抽出できなくなります。このように、シーケンスは「ほぼランダム」となります。このような符号を擬似乱数(PRN:pseudo-random number)または擬似ランダムシーケンスと呼びます。擬似ランダム符号を生成するために最も頻繁に使用される方法では、フィードバックシフトレジスタを利用しています。
PRNの一例を図11に示します。シフトレジスタには8つのデータフリップフロップ(FF)があります。クロックの立上りエッジでシフトレジスタの内容は左に1ビットシフトされます。FF1によってクロックインされたデータはFF8とFF7からフィードバックされた内容によります。PRNはFF8から読み出されます。FFの内容は各シーケンス長の始まりでリセットされます。
PRNの生成やその特性に関する書籍はたくさん出版されていますが、その詳細については、この基本チュートリアルの範囲外になります。ここでは、正しいシーケンス(または一連のシーケンス)の構築または選択が重要であることを説明するにとどめておきます。効率的なスペクトラム拡散通信を保証するため、PRNシーケンスは、長さ、自己相関、相互相関、直交性、およびビットバランシングなどの一定の規則を守らなければなりません。一般に普及しているPRNシーケンスには、Barker、M-Sequence、Gold、Hadamard-Walshなどの名前が付けられています。より複雑なシーケンスセットほど、より強固なスペクトラム拡散リンクを実現できるということを覚えておいてください。ただし、払うべき代償も大きくなり、主にスペクトラム拡散逆拡散動作のための電子回路が(速度と動作の両方の点で)より複雑になります。純粋にディジタルのスペクトラム拡散逆拡散チップには、数百万個以上の2入力の等価NANDゲート(数十MHzでスイッチング)が含まれる可能性があります。
スペクトル拡散用のいろいろな変調拡散方式
各スペクトラム拡散技術は、通信チャネルで擬似ランダム符号(PRN)が挿入されるシステム内のポイントに従って区別されます。このことは、以下に示す図12のRFフロントエンド回路図で極めて基本的に示すことができます。
PRNがデータレベルで挿入された場合は、拡散スペクトラムの直接シーケンスの形(DSSS)をとります(実際には、擬似ランダムシーケンスは情報信号を用いて混合されたり、逓倍されたりするので、元のデータフローがPRNによって「ハッシュ」されたような印象を与えます)。PRNが搬送周波数レベルで動作する場合は、スペクトラム拡散の周波数ホッピングの形(FHSS)をとります。LO段で適用されると、FHSS PRN符号は、擬似ランダムシーケンスに応じてキャリアを変化させる、すなわちホップさせます。PRNが送信信号へのオン/オフゲートとしての役割を果たす場合は、時間ホッピングスペクトラム拡散方式(THSS:Time Hopping Spread Spectrum)をとります。また、チャープ方式も存在し、これは時間的に搬送周波数を直線的に掃引します。
上記の方式はすべて組み合わせ可能であり、DSSS + FHSSなどのハイブリッドスペクトラム拡散技術を作り出すことも可能です。DSSSおよびFHSSは、現在最もよく使用されている方式です。
直接スペクトラム拡散(DSSS:Direct Sequence Spread Spectrum)
この方式では、PRNは、キャリアモジュレータに入るデータに直接適用されます。したがって、モジュレータは、PRNシーケンスのチップレートに一致する、かなり大きなビットレートを取り扱うことになります。このような符号シーケンスを用いてRFキャリアを変調すると、搬送周波数を中心とする((sin x)/x)²の周波数スペクトルを備えた直接シーケンスの変調スペクトラム拡散が生成されます。
このスペクトルのメインローブ(null~null)は、変調符号のクロックレートの2倍の帯域幅を持ち、サイドローブは符号のクロックレートに等しい「null~null」の帯域幅を持ちます。以下の図13は、直接シーケンスの変調スペクトラム拡散信号の最も代表的なタイプを表しています。直接シーケンスのスペクトラムは、使用される実際のキャリアとデータ変調に応じて、幾分スペクトラムの形状が変化します。以下の図は、2相偏移変調(BPSK:Binary Phase Shift Keyed)信号であり、直接シーケンスのシステムで用いられる最も一般的な変調の一種です。
周波数ホッピングスペクトラム拡散(FHSS:Frequency Hopping Spread Spectrum)
この方法は、まさにその名が言い表すとおり、PRNによって決められたシーケンスに応じて、広帯域にわたって周波数から周波数へとキャリアをホップさせます。ホップが実行される速度は元の情報のデータレートによって決まりますが、高速周波数ホッピング(FFHSS:Fast Frequency Hopping)と低速周波数ホッピング(LFHSS:Low Frequency Hopping)に分類することができます。後者の方式が一般的で、いくつかの連続データビットで同じ周波数を変調します。一方、FFHSSは、各データビット内に複数のホップが存在するという特徴があります。
周波数ホッピング信号の送信スペクトルは、直接シーケンスシステムの送信スペクトルとはまったく異なります。((sin x)/x)²の形状となるエンベロープではなく、周波数ホッピングの出力は、使用される周波数帯域に対して一定です(図14を参照)。周波数ホッピング信号の帯域幅は、利用可能な周波数スロットの単純にN倍となります(ここでNは各ホップチャネルの帯域幅)。
時間ホッピングスペクトラム拡散(THSS:Time Hopping Spread Spectrum)
図15は、現在ではあまり開発されていない方法のTHSSを示しています。ここでは、PAに適用されるオン/オフシーケンスがPRNシーケンスに応じて決定されます。
実装および結論
完全なスペクトラム拡散通信リンクには、高度で最先端のさまざまな技術と規律が必要となります。これには、RFアンテナ、強力で効率的なPA、低ノイズで高直線性のLNA、小型のトランシーバ、高分解能のADCとDAC、高速低電力のディジタル信号処理(DSP:Digital Signal Processing)などがあります。設計者や製造業者は、競争あるいは協調しながらスペクトラム拡散システムを実装する努力を続けています。
最も困難な領域は、特にDSSS用の逆拡散でのレシーバ経路ですが、この理由は、レシーバがメッセージを認識し、リアルタイムで同期できなければならないからです。符号認識の動作は、相関とも呼ばれています。相関はディジタル方式レベルで実行されるため、その作業は主に、高速で高度な並行バイナリ加算と乗算などの複雑な算術演算になります。
今日のレシーバ設計における最も困難な側面は、同期です。スペクトラム拡散通信の他の側面に比べて、同期方式の開発と改善に対して、より多くの時間、努力、調査、およびお金が費やされています。同期の問題を解決できる方法はいくつかありますが、その多くは、実施に数多くのディスクリート部品を必要とします。最大の突破口は、DSPと特定用途向け集積回路(ASIC:Application Specific Integrated Circuit)に存在するものと思われます。DSPは、スペクトラム拡散信号を多くの小さな部分にスライスしてから、これを解析、同期、および逆相関する、高速の演算機能を提供します。ASICチップは、VLSI技術を用いることにより、またあらゆる種類のアプリケーションに適した汎用的な構成要素を作り出すことによって、コストが削減されます。














