Efficient 48V Buck Mode LED Driver Delivers 50mA
Introduction
LEDs are efficient, compact and durable, and thus they are replacing other more traditional light sources in a variety of applications. One such application is signage. LEDs save energy, take less space and need less maintenance than other sign solutions, such as neon, incandescent or fluorescent lighting.
LEDs require proper drivers to perform at their peak. A simple DC/DC converter is not quite enough. It must convert an input voltage to the LED string voltage, but it must do it at constant output current. It must also be able to dim the LEDs by adjusting the current applied to the LED string.
Buck Mode Constant Current LED Driver
The LT3590 is a high voltage current mode buck mode LED driver capable of providing a constant current to an LED string of up to 40V total voltage. It features internal compensation, an internal 55V power switch and an internal 55V Schottky diode (see Figure 1). The part can deliver up to 50mA of DC current with efficiencies as high as 91%. Figure 2 shows a typical application for the LT3590, driving a string of ten white LEDs at 50mA current.

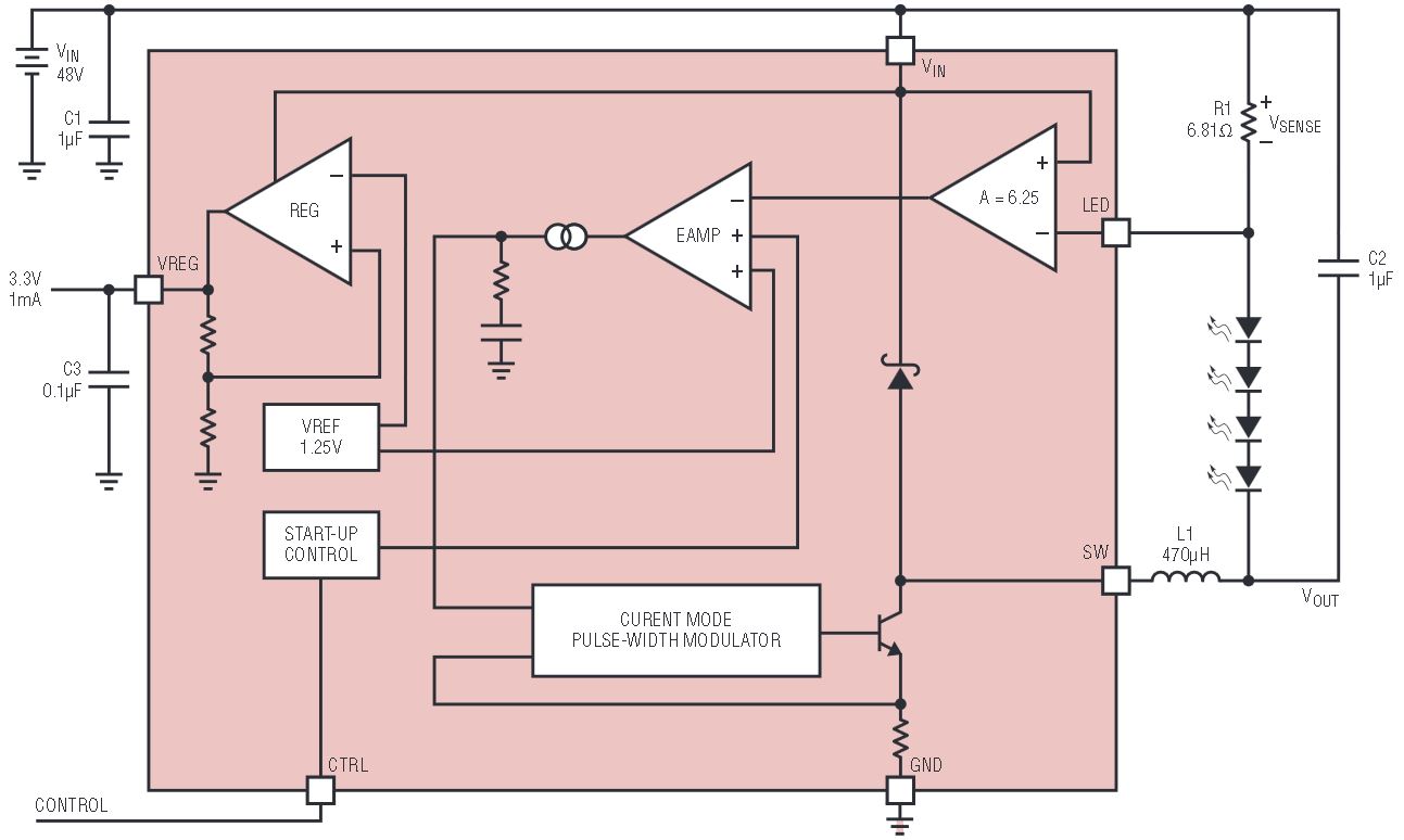
Figure 1. Block diagram of the LT3590.

Figure 2. A buck mode converter for ten white LEDs requires very few components.
The LT3590 uses a constant frequency, current mode architecture resulting in stable operation over a wide range of input voltage and output voltage. The high switching frequency permits the use of tiny, low profile inductors and capacitors. The LT3590 is available in 2mm × 2mm DFN and 8-lead SC70 packages
The control scheme is detailed in the block diagram of Figure 1. At power-up, the bandgap reference, start-up bias, and linear regulator are turned on. If CTRL is pulled higher than 150mV, the switching converter—including the oscillator, PWM comparator and error amplifier—is also turned on. The LT3590 uses a buck mode converter to regulate the output voltage to the level needed for the LEDs to run at the programmed current. It operates similarly to conventional current mode buck converters, but uses LED current rather than output voltage as the main source of feedback for the control loop.
The CTRL pin directly controls the regulated current sense voltage across the sense resistor (R1 in Figure 1). As shown in Figure 3, when VCTRL is less than 100mV, the switcher is in shutdown mode and the current sense voltage and LED current are zero. When VCTRL is greater than 150mV and less than 1.25V, the current sense voltage is proportional to VCTRL, reaching a full scale value of 200mV ±5% when VCTRL is 1.25V. Further increases in the CTRL input voltage do not increase the current sense voltage beyond 200mV. In order to achieve accurate LED current, 1% precision resistors should be used.

Figure 3. Dimming and shutdown using the CTRL pin.
Dimming Control
The LT3590 supports three types of dimming control. As previously explained, the LED current can be set by modulating the CTRL pin with a DC voltage. This method is referred to as analog dimming. Alternatively, a variable duty cycle PWM signal can be applied to the CTRL pin through an RC low-pass filter. The corner frequency of the RC network should be much lower than the frequency of the PWM signal. The DC value of the filtered PWM signal seen at the CTRL pin corresponds to the duty cycle of the PWM signal and controls the LED current just as in the analog dimming scheme.
Direct PWM dimming is also possible and preferred in applications where the chromaticity of the LEDs must be maintained over the dimming range. Dimming the LEDs via a PWM signal essentially involves turning the LEDs on and off at the PWM frequency. With the LT3590, a 200:1 dimming range is achievable for a 100Hz PWM frequency.
Onboard 3.3V Regulator
The LT3590 has a 3.3V onboard linear regulator capable of sourcing up to 1mA of current for use by an external device. The 3.3V regulator is available even during shutdown. This feature could be used to power-up an external controller from the LT3590 which in turn can control the LED current by applying a PWM signal directly or through a lowpass RC filter to the CTRL pin. Alternatively, the regulator output pin (VREG) may be directly connected to the CTRL pin. This way, at power-up the LED driver is enabled and will drive the full scale current programmed by the feedback resistor through the LED string.
High LED Count
In most signage and backlighting applications, it is best to place as many LEDs as possible in the same series string. This guarantees that all the LEDs have the same current flow and therefore have uniform brightness and color. The limiting factor on the number of LEDs is the forward voltage drop across the LED string.
The high voltage rating of the LT3590 allows safe operation with a 48V input power supply. Figure 2 shows the LT3590 driving ten white LEDs from 48V input supply. Figure 4 shows another high voltage application for the LT3590. Here, two strings of ten white LEDs are driven at 25mA. In this example we rely on the fact that the voltage drop across each LED string is a sum of ten average LEDs. Differences in individual LEDs are averaged across the string. Reasonable current matching is expected in this scheme with better than 90% efficiency for a wide range of LED currents.

Figure 4. A 48V supply for two strings of ten LEDs, 25mA current.
In larger applications, where multiple LED strings are used, it is important to match the string currents accurately to produce uniform brightness. The LT3590’s accurate current control makes this possible.
Indicator Light
Single-LED Indicator lights are popular in a wide range of applications from consumer electronics to automotive. In applications where a low voltage supply is available, it is easy to bias the LED using a simple series resistor. If the input supply voltage is much higher than the LED’s forward drop, using a resistor is inefficient and could generate excessive heat. Also, in order to handle the power, bulky power resistors are needed. Another drawback of biasing with a resistor is that the LED current, and therefore its brightness, depends on the input supply voltage.
The LT3590 is the ideal solution for driving low LED counts from high voltage supplies. Figure 5 shows the application circuit with one LED and a 12V or 24V input supply. The resulting efficiencies for both input supply voltages are also shown in Figure 5. At 50mA LED current, this solution provides 67% and 61% efficiencies for the 12V and the 24V input supplies respectively. In comparison, the resistor-biasing approach would yield dismal 25% and 12.5% efficiencies.

Figure 5. A 12V or 24V supply for a single LED, 50mA current.
Conclusion
The LT3590 offers easy-to-use accurate current drive for LED strings. Overall solution size is very small due to its small package size and an architecture that requires few additional components. Its high efficiency and wide input voltage range makes it suitable for a variety of applications, including driving LED strings with up to 40V of total LED voltage.