65V, 500mA Step-Down Converter Fits Easily into Automotive and Industrial Applications
65V, 500mA Step-Down Converter Fits Easily into Automotive and Industrial Applications
著者
Charlie Zhao
2013年03月01日
Introduction
The trend in automobiles and industrial systems is to replace mechanical functions with electronics, thus multiplying the number of microcontrollers, signal processors, sensors and other electronic devices throughout. The issue is that 24V truck electrical systems and industrial equipment use relatively high voltages for motors and solenoids while the microcontrollers and other electronics require much lower voltages. As a result, there is a clear need for compact, high efficiency step-down converters that can produce very low voltages from the high input voltages.
65V Input, 500mA DC/DC Converter with an Adjustable Output Down to 800mV
The LTC3630 is a versatile Burst Mode® synchronous step-down DC/DC converter that includes three pinselectable preset output voltages. Alternatively, the output can be set via feedback resistors down to 800mV. An adjustable output or input current limit from 50mA to 500mA can be set via a single resistor. The hysteretic nature of this topology provides inherent short-circuit protection. Higher output currents are possible by paralleling multiple LTC3630s together and connecting the FBO of the master device to the VFB pin of a slave device. An adjustable soft-start is included. A precision RUN pin threshold voltage can be used for an undervoltage lockout function.
24V Regulator with 300mA Output Current Limit and Input Undervoltage Lockout
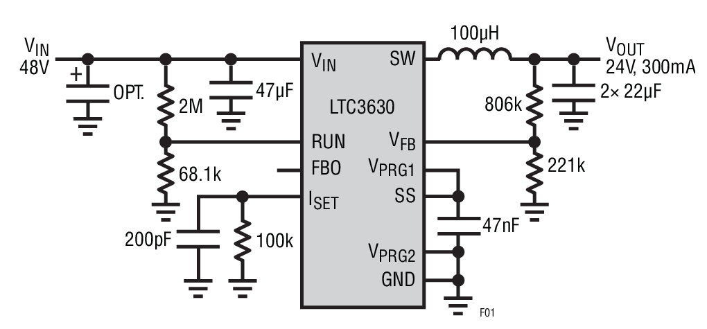
Figure 1 shows a 48V to 24V application that showcases several of the LTC3630’s features, including the undervoltage lockout and output current limit. Operational efficiencies are shown in Figure 2.


The RUN pin is programmed for VIN undervoltage lockout threshold levels of 27V rising and 24V falling. Figure 3 shows VOUT vs VIN. This feature assures that VOUT is in regulation only when sufficient input voltage is available.

The 24V output voltage can be programmed using the 800mV 1% reference or one of the preset voltages. This circuit uses the 5V preset option along with feedback resistors to program the output voltage. This increases circuit noise immunity and allows lower value feedback resistors to be used.
Although the LTC3630 can supply up to 500mA of output current, the circuit in Figure 1 is programmed for a maximum of 300mA. An internally generated 5μA bias out of the ISET pin produces a voltage across an ISET resistor, which determines the maximum output current. Figure 4 shows the output voltage as a resistive load is varied from approximately 100Ω down to 8Ω while maintaining the output current near the programmed value of 300mA. In addition, the hysteretic topology used in this DC/DC converter provides inherent short-circuit protection.

Input Current Limit
An increased voltage on ISET increases the converter’s current limit. Figure 6 shows the steady-state input current vs input voltage and the available output current before the output voltage begins to drop out of regulation. For the values shown in Figure 5, the input current is limited to approximately 55mA over a 10V to 60V input voltage range.


Conclusion
The LTC3630 offers a mixture of features useful in high efficiency, high voltage applications. Its wide output voltage range, adjustable current capabilities and inherent short-circuit tolerant operation makes this DC/DC converter an easy fit in demanding applications.