概要
設計リソース
設計/統合ファイル
- Schematic
- Bill of Materials
- Gerber Files
- Allegro Layout Files
- Assembly Drawing
- Eval Software
評価用ボード
型番に"Z"が付いているものは、RoHS対応製品です。 本回路の評価には以下の評価用ボードが必要です。
- EVAL-ADICUP3029 ($52.97) Ultra Low Power Arduino Form Factor Compatible Development Board
- EVAL-CN0507-ARDZ 2-Port Network Analyzer
デバイス・ドライバ
コンポーネントのデジタル・インターフェースとを介して通信するために使用されるCコードやFPGAコードなどのソフトウェアです。
機能と利点
- 全機能内蔵型の2ポート・ベクトル・ネットワーク・アナライザ
- 1.7GHz~3.4GHzの周波数範囲
- ゼロIFシステム・アーキテクチャ
参考資料
-
CN0507 User Guide2020/04/16WIKI
-
CN0507: 全機能内蔵型の 2 ポート・ベクトル・ネットワーク・アナライザ2020/04/10PDF434 K
回路機能とその特長
ベクトル・ネットワーク解析は、信号がある媒体中を伝搬する際やその媒体によって反射される際に、信号に生じる位相シフトと減衰を測定する手法です。この手法が最も一般的に使われるのは、RF アンプやフィルタといった電子回路のゲイン、反射係数、および逆方向伝送の測定ですが、水分含有量などの材料特性分析にも使用できます。
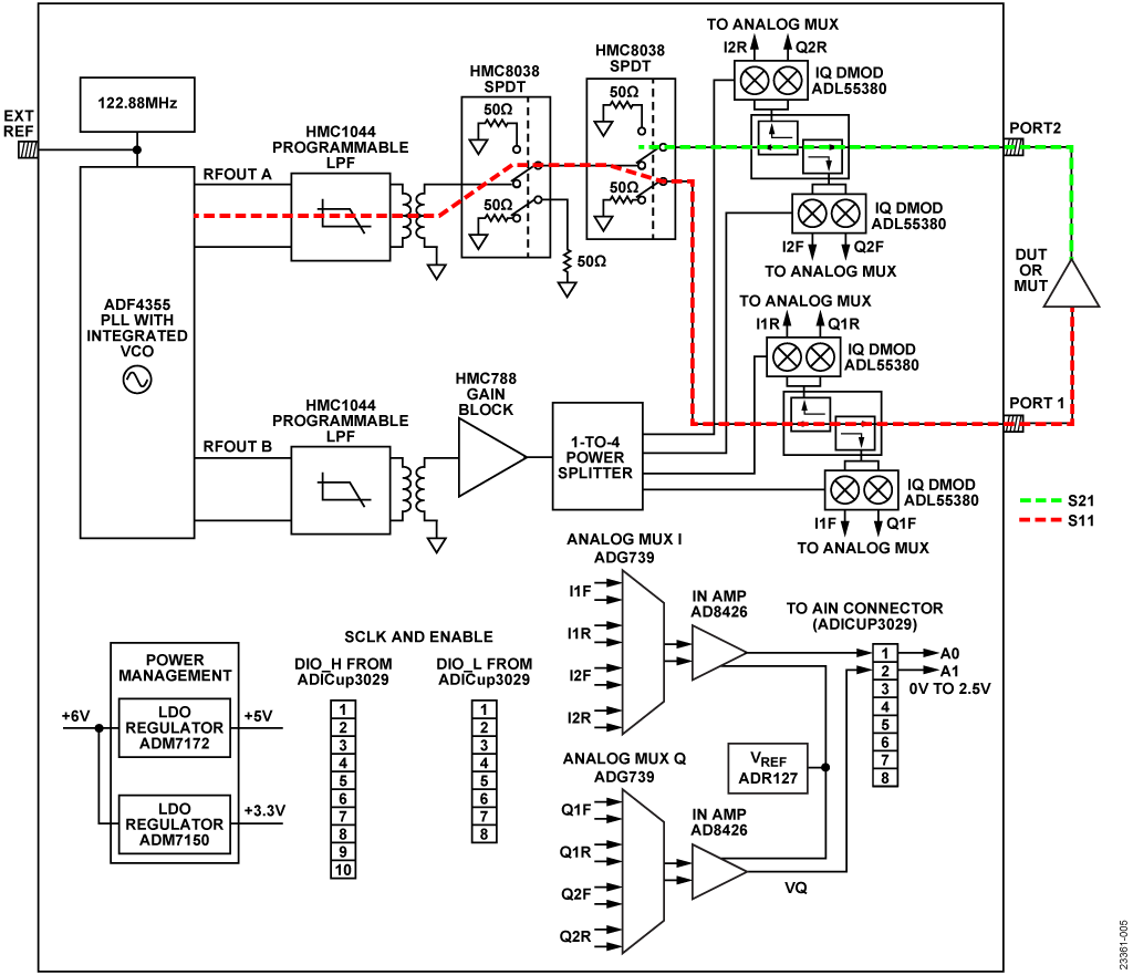
図 1 に示すリファレンス設計は、ゼロ中間周波数(ZIF)アーキテクチャを使用して、全機能内蔵型の 2 ポート無線周波数(RF)ベクトル・ネットワーク・アナライザを実装しています。この回路の周波数範囲は1.7GHz~3.4GHzで、ダイナミック・レンジは約 40dB です。
ディレクショナル・カプラと同相/直交(IQ)復調器が、順方向および逆方向の位相と振幅を検出します。ゼロ IF アーキテクチャを採用しているので、IQ 復調器の出力は DC であり、マイクロコントローラに組み込まれた高精度の A/D コンバータ(ADC)によって直接サンプリングすることができます。
このリファレンス設計の主な利点は ZIF アーキテクチャを採用していることで、低速の ADC を使用すれば、コストを抑え、高速サンプリング・コンバータに付きものの設計の複雑化を回避することができます。このアーキテクチャによって、CN-0507ボードに低コストのArduinoフォーム・ファクタ・ボードを使用することが可能になり、サイズが大きく高価なベンチトップ型の測定装置を使用せずに済みます。このリファレンス設計はサイズがコンパクトなので、幅広いテストおよび測定アプリケーションに利用することができます。
回路説明
リニア・ネットワークの解析
RF の場合、リニア・ネットワークの解析は電力波を使って行われます。電力波は、進行する電圧波と電流波のフェーザに関連付けることができます。散乱、つまり S パラメータは、高周波数におけるネットワークの電気的挙動を記述する際に最も一般的に使われる量です。「散乱」という用語は、電磁(EM)波が不連続面を通過するときにどのような影響を受けるのかを表すものです。

以下のように定義される 4 つの進行電圧波フェーザを持つ、2 ポートのネットワークを図 2 に示します。
- a1はポート 1 の入射波
- b1はポート 1 の反射波
- a2はポート 2 の入射波
- b2はポート 2 の反射波
- ネットワークの 4 つの S パラメータは以下のように定義されます。

ベクトル・ネットワーク・アナライザは、電圧波フェーザを測定して S パラメータを計算します。
従来型ネットワーク・アナライザのアーキテクチャ

デュアルポート S パラメータの測定用に構成された、従来型ネットワーク・アナライザのアーキテクチャを図 3 に示します。フェーズ・ロック・ループ 1(PLL1)は、サイン波を駆動してネットワークの 2 つのポートの 1 つに入力します。もう 1 つのポートは内部で 50Ω に終端されています。供試デバイス(DUT)または供試材料(MUT)は、通常、2 つの RF ポートの間に接続されます(MUT サンプルは、2 つのポートに接続された 2 つのアンテナ間に置かれる)。
PLL1 は段階的な周波数掃引を行い、入射信号、伝送信号、および反射信号の一部が、4 つのインライン・ディレクショナル・カプラによって取り出されます。これらのディレクショナル・カプラは、信号を低い中間周波数(IF)にダウンコンバートする 4 つのミキサーを駆動します。これら 4 つのミキサーのローカル発振器(LO)入力は、2 つめの PLL(PLL2)によって駆動されます。
PLL1 と PLL2 は、中間周波数を一定に保つために、IF に等しい小さいオフセット周波数で互いにトラックする必要があります。通常、このオフセットは数百 kHz です。回路の最終部分には 4 つの IF サンプリング ADC が配置されます。これらの ADC の出力は、振幅ベクトルと位相ベクトルを求めるために、ベースバンドへデジタル的にダウンコンバートされます。DUT または MUT の S パラメータは、これらのベクトルの比です。
図 3 に示す位置に置かれた吸収型単極双投(SPDT)スイッチを使用して PLL1 がポート 1 を駆動し、ポート 1 は 50Ωで終端されます。テスト対象のアンプを図に示すように接続した場合(入力をポート 1 に接続)、掃引を行うと、S11(入力反射)と S21(ゲイン)の計算に使用するデータが得られます。SPDTを別の位置に切り替えると、PLL1 がポート 2 を駆動して、S22(出力反射)と S12(逆方向伝送)の計算に必要なデータが得られます。
ゼロ IF アーキテクチャ
もう 1 つの方法を図 4 に示します。この方法では、ミキサーがIQ復調器に置き換えられており、1つのPLLを使って DUTと IQ復調器の LO 入力を駆動します。この場合は、IQ 復調器の出力からベースバンド IQベクトルが直接得られます。IQ復調器の出力は DC なので(PLL はある特定の周波数)、出力は IF サンプリング ADC ではなく、ベースバンド ADC(逐次比較(SAR)や低速シグマ・デルタ(Σ-Δ)などのアーキテクチャ)によってサンプリングされます。

ADF4355-3 PLL は高出力で周波数範囲が広く、デュアル出力を備えています。ADF4355-3 は、アクティブ・ポートへの駆動信号を供給できるのに加えて、4 つの IQ 復調器用の LO も駆動できます。
メインの信号パス(RFOUTA から開始)は、図 5 に示すように、プログラマブル・ローパス・フィルタ(HMC1044)、バラン、2 つの HMC8038 吸収型 SPDT スイッチ、および双方向ディレクショナル・カプラで構成されています。
HMC1044 は、PLL の出力信号から高調波を除去します。したがって、PLL の周波数掃引時には、HMC1044 のコーナー周波数を調整する必要があります。1 つめの SPDT スイッチは DC オフセット・キャリブレーション・ルーチンの際に信号を分離し、2つめの SPDTは信号をポート 1またはポート 2に切り替えます。
双方向カプラのカップリング係数は約 15dB で、カップリングされた順方向信号と逆方向信号を 4 つの ADL5380 広帯域 IQ 復調器へ送ります。4 つの IQ 復調器の DC 出力は、2 つの ADG739 CMOS スイッチによって、2 つ 1 組の IQ 信号にマルチプレクスされます。最後に、これらの差動信号が2つの AD8426計装アンプに入力され、そこで差動信号から 1.25Vの DC オフセットを持つシングルエンド信号に変換されます。このオフセットはADR127 電圧リファレンスによって設定されます。この時点で、これら 2 つの信号は標準アナログ入力の Arduino コネクタへ送られ、ADuCM3029 内蔵の 12 ビット ADC によってサンプリングされます。

LO 駆動パス(RFOUTB)にも、LO の高調波を減らすためにHMC1044 プログラマブル・ローパス・フィルタが含まれています。このフィルタの後段には、バラン、HMC788A 広帯域ゲイン・ブロック、およびパッシブ1:4パワー・スプリッタ(抵抗を使いディスクリート回路としてボード上に構成)があります。
2 つの PLL 出力は同期されていますが、それぞれ独立しています。このような 2 つの PLL 出力を使用できる利点は複数あります。LO 駆動出力(RFOUTB)の出力電力は一定に保たれますが、RFOUTA(DUT または MUT を駆動)からの出力電力レベルは、約 10dB の範囲で変化させることができます。この機能は、アプリケーションに応じてダイナミック・レンジを最大限まで広げるために使用できます。例えば、パッシブ・デバイスやパッシブ材料を測定する場合は、RFOUTA の出力レベルをその最大値に設定できます。これに対し、RF アンプのようにゲインを持つアクティブ・デバイスを測定する場合は、IQ 復調器がオーバードライブとならないように PLL のソース電力を小さくすることができます。
IQ 復調器の DC オフセット補償

ダイナミック・レンジをできるだけ広くするには、IQ 復調器出力の DC オフセット電圧を測定して、完全に補正する必要があります。
DC オフセットのゼロ調整ルーチンには独立した 2つの PLL出力を使用し、その利点を最大限に生かします。DC オフセットのゼロ調整ルーチンにおける回路とスイッチの構成を図 6 に示します。
4 つの IQ 復調器に対する LO 駆動がオンになると、メイン信号パスの駆動信号(RFOUTA)がオフになります。絶縁を強化するために、1 つめの HMC8038 RF スイッチ(HMC1044 ローパス・フィルタの直後に置かれたスイッチ)は、その入力を外部50Ω抵抗に接続するように構成します。2つめのHMC8038 RFスイッチの設定は、どのポートで DC オフセット電圧を測定するかによって変わります。
ポート 1 で IQ 復調器の DC オフセット電圧を測定する場合、2つめの HMC8038 RF スイッチは、その入力をポート 2 に接続するように構成します。RF スイッチの適切な構成については図 7を参照してください。

この例で、V1F, OFFSET (f)は周波数 fにおける測定順方向電圧、V1R,OFFSET (f)は同じく逆方向電圧です。
ポート 2 の DC オフセット電圧を測定する場合、2 つめの RF スイッチは、その入力をポート 2 に接続するように切り替えます。RF スイッチの正しい構成については図 8 を参照してください。したがって、V2F, OFFSET (f)は周波数 f における測定順方向電圧、V2R, OFFSET (f)は同じく逆方向電圧です。
電圧の測定は複雑です。シングル復調器の DC オフセット・キャリブレーションは次式で表せます。

ここで、
x はポート 1 またはポート 2、
y は順方向または逆方向電圧、
上付き文字の I と Q は同相成分と直交成分を表します。
したがって、DC オフセットのキャリブレーション時には、8 つのオフセット電圧(4 つの IQ 復調器それぞれの I オフセット電圧と Q オフセット電圧)が測定されて保存されます。その後のすべての測定時には、データ処理を開始する前にこれらの電圧が差し引かれます。

オープン、ショート、ロード、スルー(SLOT)キャリブレーション
キャリブレーションは、ベクトル・ネットワーク・アナライザ(VNA)の測定精度向上のために行います。キャリブレーションは、シグナル・チェーン内のインピーダンス・ミスマッチ誤差や信号リーク誤差の補正に加えて、測定基準面を希望の位置へ移動することによって、ケーブルや各種装置の位相シフトと挿入損失を調整するためにも使われます。
システム・キャリブレーションには、未加工の測定電圧を補正する誤差モデルが使われます。誤差モデルには、既知のキャリブレーション基準(オープン、ショート、ロード、スルー)を適用することで得られる測定値から計算される、一連の複素誤差係数が含まれています。
12 項誤差モデル
この例で使用する誤差モデルは、12 個の誤差係数、または項からなります。この誤差モデルには、順方向と逆方向に分けられた 2 つの信号フロー・グラフ・モデルがあります。以下の記述では、s11、s12、s21、s22は DUTの補正済み Sパラメータを表し、s11,M、s12,M、s21,M、s22,M は測定したままの未加工 S パラメータを表します。これら 2 組の S パラメータは互いに関連しており、その関係はキャリブレーション時に計算した誤差項を含む式で表されます。
順方向フロー・グラフ誤差モデルと、その 6 個の順方向誤差係数を図 9 に示します。
- 指向性、e00
- ポート 1 マッチ、e11
- 反射トラッキング、e10e01
- 伝送トラッキング、e10e32
- ポート 2 マッチ、e22
- リーク、e30
グラフ・モデルの解析を容易するために、散乱伝達パラメータ(T パラメータ)行列を使用します。T パラメータ行列は、以下のように S パラメータから定義して求めることができます。

ここで、Δs = s11s22 − s21s12です。
式 1 の定義は、既に DUT の T パラメータ行列を表しています。
T1がポート 1 の T パラメータ行列の場合、ポート 1 と DUT を組み合わせたフロー・グラフは、以下のような簡単な行列積として表されます。

ポート1のTパラメータ行列は次のように表すことができます。

b2 = e22a2なので、ポート 1 と DUT を組み合わせたシステムは以下のように単純化できます。

b0 と a0 の式は、式 2 から容易に求めることができます。したがって、測定反射係数 S11,Mは次のように表せます。

ポート 2 では次のようになります。
b3 = e30a0 + e10e32b2
これを a0で除すと、測定伝送係数 s21,Mが得られます。

逆方向フロー・グラフ誤差モデルと、その 6 個の逆方向誤差係数を図 10 に示します。
- 指向性、e'33
- ポート 1 マッチ、e'11
- 反射トラッキング、e'23e'32
- 伝送トラッキング、e'23e'01
- ポート 2 マッチ、e'22
- リーク、e'03

順方向フロー・グラフと逆方向フロー・グラフの対称性を利用すると、s22,Mと s12,Mは次のように表せます。

補正後の S パラメータ s11、s12、s21、s22は、測定した未加工 S パラメータを示す 4 つの式を使って解くことができます。線形代数を使用すると次のように表せます。

キャリブレーションの実行と誤差項の計算
ショート、オープン、ロードの各要素からなる標準キャリブレーション・キットは、通常、キャリブレーション時に使われます。しかし、この周波数範囲では、一般的な終端(例えば、ロードには 50Ω SMA 終端、ショートには SMA ショート、オープンにはオープン・サーキット)を使ってキャリブレーションを行い、相応に正確な結果を得ることができます。
以下では、このモデルの 12 個の誤差係数に適用すべき手順と計算を示します。なお、それぞれのキャリブレーション・ステップで異なる誤差項が生じます。
ステップ 1:反射キャリブレーション
反射キャリブレーション・ステップでは、基準終端を使って各ポートの反射係数を測定します。ここで使用する基準終端は、ショート・サーキット(SC)、オープン・サーキット(OC)、および 50Ω の固定ロード(FL)です。これらの基準終端の正確な反射係数は、既知であるものとします(通常、このデータはキャリブレーション・キットに付属しています)。

基準終端を取り付けたポート 1 のフロー・グラフを図 11 に示します。ΓCAL は終端の反射係数です。ポート 1 と基準終端を組み合わせたこのフロー・グラフは、式 7 で表すことができます。

したがって、ポート 1 の測定反射係数ΓM は次のように表せます。

この式を分かりやすくまとめると、次のようになります。
- e00 + ΓMΓCALe11 − ΓCALΔe = ΓM
3 つの基準終端に対し、以下に示すように 3 つの式が得られます。
- e00 + ΓM,OCΓCAL,OCe11 − ΓCAL,OCΔe = ΓM,OC
- e00 + ΓM,SCΓCAL,SCe11 − ΓCAL,SCΔe = ΓM,SC
- e00 + ΓM,FLΓCAL,FLe11 − ΓCAL,FLΔe = ΓM,FL
次に、3 つの誤差係数、e00、e11、e10e01を求めます。
基準終端を取り付けたポート 2 のフロー・グラフを図 12 に示します。

この場合も、ポート 1 とポート 2 の対称性から、以下のように 3つの基準終端を使って 3 つの式が得られます。
e'33 + ΓM,OCΓCAL,OCe'22 − ΓCAL,OCΔ'e = ΓM,OC
e'33 + ΓM,SCΓCAL,SCe'22 − ΓCAL,OCΔ'e = ΓM,SC
e'33 + ΓM,FLΓCAL,FLe'22 − ΓCAL,FLΔ'e = ΓM,FL
ここで、ΓMはポート 2 の測定反射係数で、Δ'e = e'33e'22 − e'23 e'32です。
更に、3 つの誤差係数 e'33、e'22、e'32を求めます。
ステップ 2:絶縁キャリブレーション
絶縁キャリブレーション・ステップでは、50Ω の固定ロードを使って 2 つのポートを終端することで両方のポートを絶縁し、その後に伝送係数を測定します。順方向パスでは、式 8 に示すように順方向リーク e30と順方向伝送係数が等しくなります。
e30 = s21,M
逆方向パスでは、逆方向リーク e'03と逆方向伝送係数が等しくなります(e'03 = s12,M)。
ステップ 3:スルー・キャリブレーション
スルー・キャリブレーション・ステップでは、2 つのポートのケーブルを直結して、反射係数と伝送係数の両方を測定します。ポート 1 とポート 2 のケーブルは、直接接続できるように、一方がオスで他方がメスになっているのが理想的です。両方のオス/メスが同じで直接接続できない場合は、短い SMA スルー・ケーブルを使う必要があります。この場合は全体的な精度が低下しますが、実験室での測定結果は、スルーSMA ケーブルが比較的短い場合は、良好な精度を実現できることを示しています。

スルー・キャリブレーション時の順方向信号フロー・グラフを図 13 に示します。ポート 1 から 2 つのポートの接続面へのフロー・グラフは、次のように表すことができます。

ポート 1 の反射係数は次のように表せます。

式 9 に含まれる未知の値は、ポート 2 のマッチ誤差係数 e22だけです。誤差係数 e00、e11、Δeは、反射キャリブレーションを行うことによって事前に得られます。e22 を求めると次式になります。

ポート 2 の信号は次のように表せます。
b3 = e30a0 + e10e32ax
これを a0で除すると s21,Mが得られます。

以上から、順方向伝送トラッキング誤差係数 e10e32は、次式で得ることができます。
e10e32 = (s21,M − e30)(1 − e11e22)
この時点で、e11、e22、e30は既知の量です。

スルー・キャリブレーション時の逆方向信号フロー・グラフを図 14 に示します。ポート 1 のマッチ誤差係数 e'11は、その対称性から、次式で求めることができます。

同様に、逆方向伝送トラッキング誤差係数 e'23e'01 は、次式で得ることができます。
e'23e'01 = (s12,M − e'03)(1 − e'11e'22)
反射キャリブレーションと絶縁キャリブレーションによって得られた誤差係数を記録します。
キャリブレーション・キットのショート、オープン、ロード要素の反射係数
一般に、キャリブレーション・キットは、ショート、オープン、ロード要素の反射係数を高い精度で提供します。また、表 1 に示す理想値を使用すれば、これより精度は劣りますが、受け入れ得る結果を得ることができます。標準的な実験室グレードのSMA コネクタをキャリブレーションに使用した場合は、これらの値を使用することもできます。
| Termination | Reflection Coefficient (ΓCAL) |
| Short | −1 |
| Open | +1 |
| Fixed 50 Ω Load | 0 |
基準終端は、終端された伝送ラインとして正確にモデル化することができます。その信号フロー・グラフを図 15 に示します。

終端ラインの特性は、その反射係数ΓC と伝搬定数 γ によって表すことができます。
50Ω ロードの場合、反射係数ΓL は 0 です。ただし、ショート終端は誘導性ロードとして、オープン終端は容量性ロードとしてモデル化されます。ショート終端のインダクタ・モデルは、以下に示すように周波数の 3 次関数です。
L(f) = L0 + L1f + L2f2 +L3f3
この場合、ショート終端のロード・インピーダンスは次のようになります。
ZL(f) = j2πfL(f)
オープン終端のコンデンサ・モデルは、以下に示すように周波数の 3 次関数です。
C(f) – C0 + C1f + C2f2 +C3f3
オープン終端のロード・インピーダンスは次のようになります。
ZL(f) = 1/[j2πfC(f)]
更に、このロード・インピーダンスから、次式により ZL(f)、ΓLを求めることができます。

ここで、ZREF = 50Ω です。
T 行列を使い、終端された伝送ラインの特性は次式で表されます。

ここで、

行列の乗算は次のように簡単な形にすることができます。

以上から、基準終端の反射係数ΓCAL は、次式で求めることができます。

伝送ラインの特性は、そのオフセット損失とオフセット遅延を通じて表すこともできます。これらの遅延と損失は簡単に測定できます。オフセット遅延は、次のように終端長 lから求めることもできます。
オフセット遅延 = l/c
ここで、c は光の速度です。
表皮効果を考慮する場合は、次式により特性インピーダンス ZCを求めることができます。

ここで、Z0 は伝送ラインの無損失特性インピーダンスで、これも 50Ω です。伝搬定数は次のように表すこともできます。
γl |= αl + βl
ここで、

オフセット損失が無視できる程度の値で、0 と見なせる場合、ΓCALは次のように簡単な形にすることができます。
ΓCAL = e−4πf(Offset Delay)ΓLΓCAL = e−4πf(offset delay)ΓL
測定結果
図 16、図 17、図 18 に各種の測定結果を示します。回路の周波数範囲とダイナミック・レンジをテストするために、Mini-Circuits®のバンドパス・フィルタ ZAFBP-2100-S+を使用しました。フィルタの未補正の挿入損失と反射損失を図 16 に示します。Keysight Technologies, Inc.の 85033E標準機械校正キットを使ってキャリブレーションを行った後の応答を図 17 に示します。図 18は、掃引を行って 0dB、−10dB、−20dB、−30dB、および−40dBの減衰器を測定した結果です。すべての測定は、DC オフセット補償を使用しています。



ソフトウェア・アーキテクチャ
2 ポート・ベクトル・ネットワーク・アナライザ・シールドには、図 19 に示すように 2 つのソフトウェア・コンポーネントが付属しています。1 つめのソフトウェア・コンポーネントはファームウェアで(図 19 の右側部分)、EVAL-ADICUP3029 上で動作します。マイクロコントローラ・ユニット(MCU)は、PLL、マルチプレクシング・アレイ、プログラマブル・フィルタ、IQ 復調器など、ネットワーク・アナライザ・シールドのすべてのハードウェア・デバイスを制御します。ファームウェアは、各デバイスのタイプごとに 1 つのデバイス・フレームワークを採用しています。このフレームワークは、デバイスの機能と動作を抽象化することによって得られる一般化モデルです。このファームウェアは、モジュール性を維持してコードの再利用を可能にし、コードの開発とメンテナンスを容易にするために、複数のレイヤに分けてハードウェアを抽象化するように設計されています。
もう 1 つのソフトウェア・コンポーネント(図 19 の左側)はコンピュータ・アプリケーションで、これにより設定、補正、測定および結果の表示を行うことができます。アプリケーションのバックエンドは、グラフィカル・ユーザ・インターフェース(GUI)からのすべての要求の処理と、データ・ハンドリングを受け持ちます。コンピュータ・アプリケーションのバックエンドは、S パラメータの計算とキャリブレーションも行います。ファームウェアとホスト・アプリケーションの詳細については、CN0507 のユーザ・ガイドを参照してください。

ファームウェアとデバイス・フレームワーク
2 ポート・ネットワーク・アナライザ用ファームウェアの簡略化したブロック図を図 20 に示します。図 20 に示すように、MCU は、1 つの PLL、2 つのマルチプレクシング・アレイ、2 つのローパス・フィルタ、4 つの I/Q 復調器、および 2 つの RF スイッチを制御します。PLL、マルチプレクシング・アレイ、およびローパス・フィルタは、すべて 1 つのシリアル・ペリフェラル・インターフェース(SPI)バスを共有します。


コンピュータ・アプリケーション
コンピュータ・ソフトウェア・コンポーネントは、キャリブレーションと S パラメータの計算を行います。アプリケーションのグラフィカル・ユーザ・インターフェース(GUI)のスクリーン・キャプチャを図 21 に示します。この GUI は、Node.js®のオープン・ソース・プラットフォームを使って開発されました。この GUI は、ベンチ・タイプのネットワーク・アナライザと同様の働きをするように設計されています。
設定と操作のための機能は、すべて GUI の右側にまとめられています。ネットワーク・アナライザの構成は、必要とする掃引設定に基づいて行います。コンピュータ・アプリケーションとファームウェア間のデータ・ハンドリングは、100 ポイントのシングルトレース掃引、つまり 1 つの S パラメータの処理における平均掃引時間が 1 秒未満となるように最適化されています。周波数ポイントまたはステップの数や選択した S パラメータの数が増えると、掃引時間も長くなります。より安定した結果を得るために、平均オプションが用意されています。GUI を使用すれば、様々な方法で結果を表示することができます。例えば、どの S パラメータをプロットするかを選択したり、S パラメータの大きさや位相を表示するかどうかを選択したりすることが可能です。また、追加機能として、S パラメータのプロットを S2P 標準フォーマットで保存することができます。
バリエーション回路
回路の公称周波数範囲は1.7GHz~3.4GHzです。この周波数範囲の大部分は、Mini-Circuits の BDCN-14-342+ディレクショナル・カプラによって決まります。これらのディレクショナル・カプラを表 2 に示す他のピン互換カプラと交換すれば、動作周波数を最小 360MHz まで下げることができます。
| Frequency Range | Recommended Part Number |
| 1.7 GHz to 3.4 GHz | BDCN-14-342+ (Mini-Circuits) |
| 0.824 GHz to 2.525 GHz | BDCN-15-25+ (Mini-Circuits) |
| 0.36 GHz to 1 GHz | BDCN-20-13+ (Mini-Circuits) |
リファレンス設計は、AD8426 計装アンプのゲインを変えることによって、ネットワーク・アナライザ・シールドの感度を変更できるようになっています。ダイナミック・レンジに変更はありません。ただし、感度を上げるとシステムの圧縮ポイントが低下します。
オリジナルの設計では、AD8426 のゲイン設定抵抗の値は18.7kΩです。これは 3.6×の計装アンプ・ゲインに相当し、圧縮ポイントは 10dB よりわずかに高くなります。抵抗を 5.49kΩ に変更することによって計装アンプ・ゲインは 10×に上がりますが、圧縮ポイントは 0dBm 前後まで低下します。計装アンプ・ゲインが 10×になった場合の感度への影響を、図 22に示します。

回路の評価とテスト
評価とテストには、標準的な 10dB SMA 減衰器を供試デバイス(DUT)として使用できます。減衰器は実験用装置として一般的なもので、S パラメータが明確なので(S21 = S12 = −10dB)、有効な DUT となります。この回路テストに必要な装置とソフトウェアのリストを以下に示します。
必要な装置
以下の装置類が必要になります。
- EVAL-CN0507-ARDZ
- EVAL-ADICUP3029
- DC 6V 2A の AC アダプタ電源
- 10dB SMA 減衰器
- 短い RF ケーブル(SMA)2 本
- USB ポート付きで Windows® 7(32 ビット)以降を搭載のPC
- USB Type A − micro USB 変換ケーブル
必要なソフトウェア
以下のソフトウェアが必要になります。
- アナログ・デバイセズのベクトル・ネットワーク・アナライザ用コンピュータ・アプリケーション
- ADICUP3029 用ベクトル・ネットワーク・アナライザ・ファームウェアの 16 進形式ファイル
テスト・セットアップの機能ブロック図
試験構成の機能図を図 23 に示します。

セットアップ
以下の要領で評価用回路をセットアップします。
- ADICUP3029 プラットフォーム・ボードに CN-0507 ハードウェアを取り付けます。
- CN-0507 を 6V DC の AC アダプタ電源に接続します。
- EVAL-ADICUP3029 の USB ポートを PC に接続します。
a. PC に DAPLINK という名前のドライブが追加され、表示されます。 - ADICUP3029 ベクトル・ネットワーク・アナライザの 16 進ファイルを DAPLINK ドライブへドラッグすることによって、ADICUP3029 にファームウェアをダウンロードします。ドライブとの接続が一度切断されて再び接続され、ダウンロードが完了したことを知らせます。
- ADICUP3029 のリセット・ボタンを押します。
- アナログ・デバイセズのベクトル・ネットワーク・アナライザ用コンピュータ・アプリケーションを実行します。使用する COM ポートを選択して、[Connect](接続)を選択します。設定はデフォルトのままにしてください。
- ネットワーク・アナライザの 2 つのポートはオープン状態のままにします。[Start Sweep](掃引開始)をクリックすると、測定が開始されます。
- S21 と S12 を非表示にします。測定した S11と S22を図 24 に示します。理想的なプロットは 0dB 位置の水平線です。

24. ポートをオープン状態にしてキャリブレーションを行わずに測定した S11と S22 - S21 と S12 を再表示します。
- S11 と S22 を非表示にします。
- 10dB SMA 減衰器を接続します。「Start Sweep」(掃引開始)をクリックすると、測定が開始されます。
- 測定した S21 と S12 を図 25 に示します。理想的なプロットは-10dB の水平線です。

正確な測定を行うためには、測定前にベクトル・ネットワーク・アナライザのキャリブレーションを行ってください。ハードウェアとソフトウェアの動作についての詳細は、CN-0507 のユーザ・ガイドを参照してください。





